Product Summary
The 2SC4226-T1 is a low supply voltage transistor designed for VHF, UHF low noise amplifier. The 2SC4226-T1 is suitable for a high density surface mount assembly since the transistor has been applied 3-pin super minimold package.
Parametrics
2SC4226-T1 absolute maximum ratings: (1) Collector to Base Voltage VCBO: 20V; (2) Collector to Emitter Voltage VCEO: 12V; (3) Emitter to Base Voltage: 3V; (4) Collector Current Ic: 100mA; (5) Total Power Dissipation Ptot: 150mW; (6) Junction Temperature Tj: 150°C; (7) Storage Temperature Tstg: -65 to +150°C
Features
2SC4226-T1 features: (1) Low noise : NF=1.2 dB TYP.@VCE=3V, Ic=7mA, f=1GHz; (2) High gain :丨S21e丨2 =9dB TYP.@VCE = 3 V, IC=7mA, f = 1GHz; (3) 3-pin super minimold package.
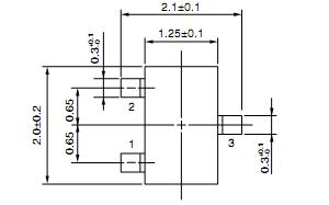
Diagrams

| Image | Part No | Mfg | Description | ![]() |
Pricing (USD) |
Quantity | ||||
|---|---|---|---|---|---|---|---|---|---|---|
![]() |
![]() 2SC4226-T1 R24 |
![]() Other |
![]() |
![]() Data Sheet |
![]() Negotiable |
|
||||
![]() |
![]() 2SC4226-T1 R25 |
![]() Other |
![]() |
![]() Data Sheet |
![]() Negotiable |
|
||||
![]() |
![]() 2SC4226-T1-A R24 |
![]() Other |
![]() |
![]() Data Sheet |
![]() Negotiable |
|
||||
![]() |
![]() 2SC4226-T1-A R25 |
![]() Other |
![]() |
![]() Data Sheet |
![]() Negotiable |
|
||||
(Hong Kong)










