Product Summary
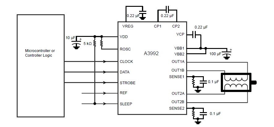
The A3992SLPT is a DMOS dual full-bridge microstepping PWM motor driver. Designed for pulse width modulated (PWM) current control of bipolar microstepped stepper motors, the A3992SLPT is capable of continuous output currents to ±1.5 A and operating voltages to 50 V. Internal fixed off-time PWM current control timing circuitry can be programmed via the serial interface to operate in slow, fast, or mixed decay modes. The A3992SLPT is supplied in a thin profile (1.2 mm maximum height) 24 pin TSSOP (suffix LP) with exposed thermal pad and a 24 pin plastic DIP with dual copper batwing tabs (suffix B). The exposed thermal pad on the LP is at ground potential and needs no electrical isolation. Both packages are lead (Pb) free with 100% matte tin leadframe plating.
Parametrics
A3992SLPT absolute maximum ratings: (1)Load Supply Voltage VBB: 50 V; (2)Output Current IOUT: ±1.5 A; (3)Logic Supply Voltage VDD: 7.0 V; (4)Logic Input Voltage Range VIN: –0.3 to VDD + 0.3 V; (5)VBBx to OUTx Voltage: 50 V; (6)OUTx to SENSEx Voltage: 50 V; (7)REF Reference Voltage VREF: 3 V; (8)SENSE Voltage (dc)VSENSE: 500 mV; (9)Operating Ambient Temperature TA Range: –20 to 85 °C; (10)Maximum Junction Temperature TJ(max): 150°C; (11)Storage Temperature Tstg: –55 to 150 °C.
Features
A3992SLPT features: (1)±1.5 A, 50 V continuous output rating; (2)Low RDS(on)DMOS output drivers; (3)Short-to-ground protection; (4)Shorted load protection; (5)Optimized microstepping via six bit linear DACs; (6)Programmable mixed, fast, and slow current decay modes; (7)4 MHz internal oscillator for digital timing; (8)Serial interface controls chip functions; (9)Synchronous rectification for low power dissipation; (10)Internal UVLO and thermal shutdown circuitry; (11)Crossover-current protection; (12)Inputs compatible with 5 or 3.3 V control signals; (13)Sleep and Idle modes.
Diagrams

| Image | Part No | Mfg | Description | ![]() |
Pricing (USD) |
Quantity | ||||||||||||||||||||||
|---|---|---|---|---|---|---|---|---|---|---|---|---|---|---|---|---|---|---|---|---|---|---|---|---|---|---|---|---|
![]() |
![]() A3992SLPTR-T |
![]() |
![]() IC MOTOR DRVR PWM DUAL 24-TSSOP |
![]() Data Sheet |
![]()
|
|
||||||||||||||||||||||
| Image | Part No | Mfg | Description | ![]() |
Pricing (USD) |
Quantity | ||||||||||||||||||||||
![]() |
![]() A3992 |
![]() Other |
![]() |
![]() Data Sheet |
![]() Negotiable |
|
||||||||||||||||||||||
![]() |
![]() A3992SB-T |
![]() |
![]() IC MOTOR DRVR PWM DUAL 24-DIP |
![]() Data Sheet |
![]()
|
|
||||||||||||||||||||||
![]() |
![]() A3992SLPTR-T |
![]() |
![]() IC MOTOR DRVR PWM DUAL 24-TSSOP |
![]() Data Sheet |
![]()
|
|
||||||||||||||||||||||
![]() |
![]() A3995 |
![]() Other |
![]() |
![]() Data Sheet |
![]() Negotiable |
|
||||||||||||||||||||||
![]() |
![]() A3995SEVTR-T |
![]() |
![]() IC MOTOR DRIVER PWM DUAL 36-QFN |
![]() Data Sheet |
![]()
|
|
||||||||||||||||||||||
![]() |
![]() A3998SETTR-T |
![]() |
![]() IC MOTOR DRIVER DUAL DMOS QFN |
![]() Data Sheet |
![]()
|
|
||||||||||||||||||||||
(Hong Kong)












