Product Summary
The AM29DL163DT-70EI is a 3.0 volt-only flash memory, organized as 1,048,576 words of 16 bits each or 2,097,152 bytes of 8 bits each. Word mode data appears on DQ0–DQ15; byte mode data appears on DQ0–DQ7. The AM29DL163DT-70EI is designed to be programmed in-system with the standard 3.0 volt VCC supply, and can also be programmed in standard EPROM programmers. The AM29DL163DT-70EI requires only a single 3.0 volt power supply for both read and write functions. Internally generated and regulated voltages are provided for the program and erase operations. The AM29DL163DT-70EI offers complete compatibility with the JEDEC single-power-supply Flash command set standard. Commands are written to the command register using standard microprocessor write timings. Reading data out of the device is similar to reading from other Flash or EPROM devices.
Parametrics
AM29DL163DT-70EI absolute maximum ratings: (1)Storage Temperature Plastic Packages: -65°C to +150°C; (2)Ambient Temperature with Power Applied: -65°C to +125°C; (3)Voltage with Respect to Ground VCC: -0.5 V to +4.0 V; (4)A9, OE#, and RESET#: -0.5 V to +12.5 V; (5)WP#/ACC: -0.5 V to +10.5 V; (6)All other pins: -0.5 V to VCC +0.5 V; (7)Output Short Circuit Current: 200 mA.
Features
AM29DL163DT-70EI features: (1)Data can be continuously read from one bank while executing erase/program functions in other bank; (2)Zero latency between read and write operations; (3)Current version of device has 64 Kbytes; future versions will have 256 bytes; (4)Factory locked and identifiable: 16 bytes available for secure, random factory Electronic Serial Number; verifiable as factory locked through autoselect function. ExpressFlash option allows entire sector to be available for factory-secured data; (5)Customer lockable: Can be read, programmed, or erased just like other sectors. Once locked, data cannot be changed; (6)Hardware method of locking a sector, either in-system or using programming equipment, to prevent any program or erase operation within that sector; (7)Temporary Sector Unprotect allows changing data in protected sectors in-system.
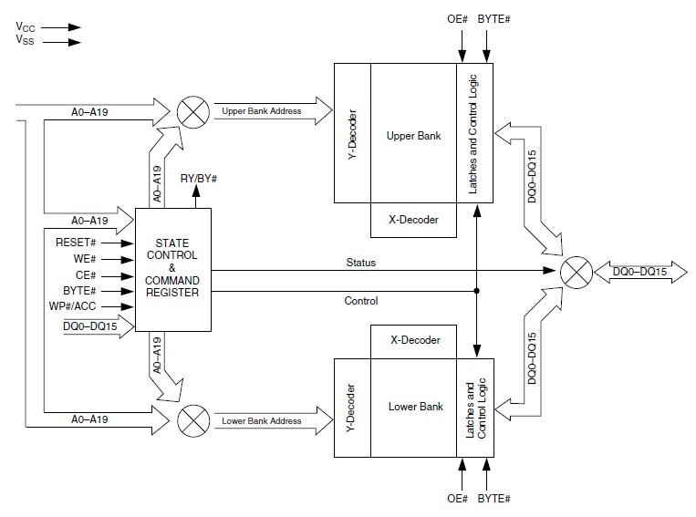
Diagrams

(Hong Kong)






