Product Summary
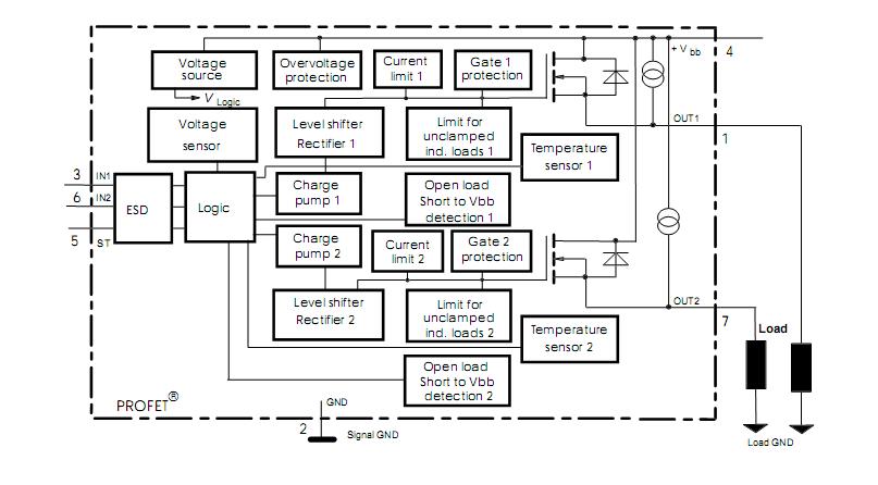
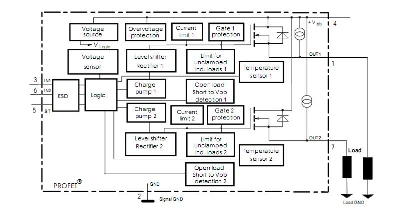
The BTS612N is a smart two channel highside power switch. And the BTS612N is widely used in: μC compatible power switch with diagnostic feedback for 12 V and 24 V DC grounded loads, All types of resistive, inductive and capacitve loads and Replaces electromechanical relays, fuses and discrete circuits.
Parametrics
BTS612N absolute maximum ratings: (1)Supply voltage Vbb: 43V; (2)Supply voltage for full short circuit protection (T =-40 to +150°C): 34V; (3)Load dump protection Vload dump = Ua + Vs, Ua =13.5 V, VLoad dump: 60V; (4)Load current IL: self-limited; (5)Operating temperature range Tj: -40 to 150°C, Storage temperature range Tstg: -55 to +150°C; (6)Input voltage (DC) VIN: -10 to +6V; (7)Current through input pin (DC)Iin: ±2.0A; (8)Current through status pin (DC) Ist: ±5.0A.
Features
BTS612N features: (1)Overload protection; (2)Current limitation; (3)Short circuit protection; (4)Thermal shutdown; (5)Overvoltage protection (including load dump); (6)Fast demagnetization of inductive loads; (7)Reverse battery protection; (8)Undervoltage and overvoltage shutdown with auto-restart and hysteresis; (9)Open drain diagnostic output; (10)Open load detection in OFF-state; (11)CMOS compatible input; (12)loss of ground and loss of Vbb protection; (13)Electrostatic discharge (ESD) protection.
Diagrams

| Image | Part No | Mfg | Description | ![]() |
Pricing (USD) |
Quantity | ||||||||||||
|---|---|---|---|---|---|---|---|---|---|---|---|---|---|---|---|---|---|---|
![]() |
![]() BTS612N1 |
![]() Other |
![]() |
![]() Data Sheet |
![]() Negotiable |
|
||||||||||||
![]() |
![]() BTS612N1 E3128A |
![]() Infineon Technologies |
![]() Power Switch ICs - POE / LAN PROFET SMART 2 CH Hi Side Pwr SW |
![]() Data Sheet |
![]()
|
|
||||||||||||
(Hong Kong)










