Product Summary
The CY62128DV30LL-70ZAXI is a high-performance CMOS static RAM organized as 128K words by 8 bits. This device features advanced circuit design to provide ultra-low active current. This is ideal for providing More Battery Life (MoBL) in portable applications such as cellular telephones. The device also has an automatic power-down feature that significantly reduces The CY62128DV30 is a high-performance CMOS static RAM organized as 128K words by 8 bits. This device features advanced circuit design to provide ultra-low active current. This is ideal for providing More Battery Life (MoBL ) in portable applications such as cellular telephones. The device also has an automatic power-down feature that significantly reduces.
Parametrics
CY62128DV30LL-70ZAXI absolute maximum ratings: (1)Storage Temperature: –65°C to +150°C; (2)Ambient Temperature with Power Applied: –55°C to +125°C; (3)Supply Voltage to Ground Potential: -0.3V to 3.9V; (4)DC Voltage Applied to Outputs in High-Z State [3]: -0.3V to VCC + 0.3V; (5)DC Input Voltage [3]: -0.3V to VCC + 0.3V; (6)Output Current into Outputs (LOW): 20 mA; (7)Static Discharge Voltage: > 2001V (per MIL-STD-883, Method 3015); (8)Latch-up Current: > 200 mA.
Features
CY62128DV30LL-70ZAXI features: (1)Very high speed: 55 and 70 ns; (2)Wide voltage range: 2.2V to 3.6V; (3)Pin compatible with CY62128V; (4)Ultra-low active power: Typical active current: 0.85 mA @ f = 1 MHz; Typical active current: 5 mA @ f = fMAX.; (5)Ultra-low standby power; (6)Easy memory expansion with CE1 , CE2 , and OE features; (7)Automatic power-down when deselected; (8)Packages offered in a 32-lead SOIC, a 32-lead TSOP, a 32-lead Short TSOP, and a 32-lead Reverse TSOP.
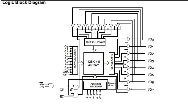
Diagrams

| Image | Part No | Mfg | Description | ![]() |
Pricing (USD) |
Quantity | ||||
|---|---|---|---|---|---|---|---|---|---|---|
![]() |
![]() CY62128DV30LL-70ZAXI |
![]() Other |
![]() |
![]() Data Sheet |
![]() Negotiable |
|
||||
| Image | Part No | Mfg | Description | ![]() |
Pricing (USD) |
Quantity | ||||
![]() |
![]() CY62126BV |
![]() Other |
![]() |
![]() Data Sheet |
![]() Negotiable |
|
||||
![]() |
![]() CY62126DV30 |
![]() Other |
![]() |
![]() Data Sheet |
![]() Negotiable |
|
||||
![]() |
![]() CY62126DV30L-55BVXE |
![]() Cypress Semiconductor |
![]() SRAM SLO 3.0V SUPER LO PWR 64K X 16 SRAM |
![]() Data Sheet |
![]() Negotiable |
|
||||
![]() |
![]() CY62126DV30L-55BVXET |
![]() Cypress Semiconductor |
![]() SRAM SLO 3.0V SUPER LO PWR 64K X 16 SRAM |
![]() Data Sheet |
![]() Negotiable |
|
||||
![]() |
![]() CY62126DV30L-55ZSXE |
![]() Cypress Semiconductor |
![]() SRAM SLO 3.0V SUPER LO PWR 64K X 16 SRAM |
![]() Data Sheet |
![]() Negotiable |
|
||||
![]() |
![]() CY62126DV30L-55ZSXET |
![]() Cypress Semiconductor |
![]() SRAM SLO 3.0V SUPER LO PWR 64K X 16 SRAM |
![]() Data Sheet |
![]() Negotiable |
|
||||
(Hong Kong)











