Product Summary
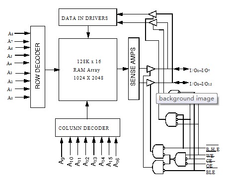
The CY62136VLL-55ZI is a high-performance CMOS static RAM or-ganized as 131,072 words by 16 bits. The CY62136VLL-70BAIT features advanced circuit design to provide ultra-low active current. This is ideal for providing More Battery Life (MoBL) in portable applications such as cellular telephones. The CY62136VLL-70BAIT also has an automatic power-down feature that significantly reduces power consumption by 99% when addresses are not toggling.
Parametrics
CY62136VLL-55ZI absolute maximum ratings: (1)Storage Temperature: –65°C to +150°C; (2)Ambient Temperature with Power Applied:–55°C to +125°C; (3)Supply Voltage to Ground Potential:–0.5V to +4.6V; (4)DC Voltage Applied to Outputs in High Z State:–0.5V to VCC + 0.5V; (5)DC Input Voltage:–0.5V to VCC + 0.5V; (6)Output Current into Outputs (LOW): 20 mA; (7)Static Discharge Voltage: >2001V(per MIL-STD-883, Method 3015); (8)Latch-Up Current: >200 mA.
Features
CY62136VLL-55ZI features: (1)Low voltage range: 2.7V-3.6V; (2)Ultra-low active, standby power; (3)Easy memory expansion with CE and OE features; (4)TTL-compatible inputs and outputs; (5)Automatic power-down when deselected; (6)CMOS for optimum speed/power.
Diagrams

(Hong Kong)






