Product Summary
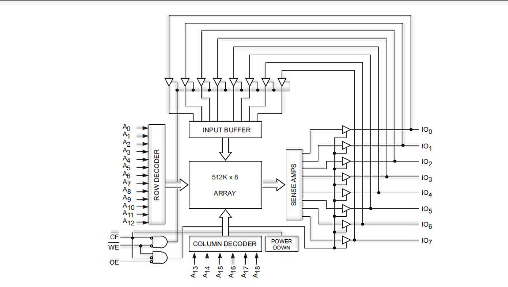
The CY62148ELL-55SXI is a high performance CMOS static RAM organized as 512K words by 8 bits. The CY62148ELL-55SXI feature advanced circuit design to provide ultra low active current. This is ideal for providing More Battery Life (MoBL) in portable applications such as cellular telephones. The CY62148ELL-55SXI also has an automatic power down feature that significantly reduces power consumption when addresses are not toggling. Placing the device into standby mode reduces power consumption by more than 99% when deselected (CE HIGH).
Parametrics
CY62148ELL-55SXI absolute maximum ratings: (1)Storage Temperature: –65°C to + 150°C; (2)Ambient Temperature with Power Applied: –55°C to + 125°C; (3)Supply Voltage to Ground Potential: –0.5V to 6.0V (VCCmax + 0.5V); (4)DC Voltage Applied to Outputs in High-Z State [5, 6]: –0.5V to 6.0V (VCCmax + 0.5V); (5)DC Input Voltage [5, 6]: –0.5V to 6.0V (VCCmax + 0.5V); (6)Output Current into Outputs (LOW): 20 mA; (7)Static Discharge Voltage: > 2001V (per MIL-STD-883, Method 3015); (8)Latch-up Current : >200mA.
Features
CY62148ELL-55SXI features: (1)Very high speed: 45 ns; (2)Voltage range: 4.5V–5.5V; (3)Pin compatible with CY62148B; (4)Ultra low standby power: Typical standby current: 1 μA; Maximum standby current: 7 μA (Industrial); (5)Ultra low active power: Typical active current: 2.0 mA @ f = 1 MHz; (6)Easy memory expansion with CE, and OE features; (7)Automatic power down when deselected; (8)CMOS for optimum speed and power; (9)Available in Pb-free 32-pin TSOP II and 32-pin SOIC [2] packages.
Diagrams

| Image | Part No | Mfg | Description | ![]() |
Pricing (USD) |
Quantity | ||||||||||||
|---|---|---|---|---|---|---|---|---|---|---|---|---|---|---|---|---|---|---|
![]() |
![]() CY62148ELL-55SXI |
![]() Cypress Semiconductor |
![]() SRAM 4M MoBL Ultra Lo PWR HI SPD MicroPWR |
![]() Data Sheet |
![]()
|
|
||||||||||||
![]() |
![]() CY62148ELL-55SXIT |
![]() Cypress Semiconductor |
![]() SRAM 4M MoBL Ultra Lo PWR HI SPD MicroPWR |
![]() Data Sheet |
![]()
|
|
||||||||||||
(Hong Kong)









