Product Summary
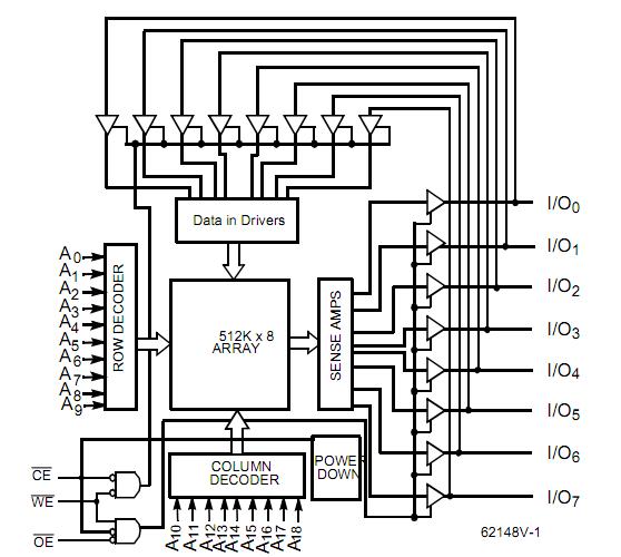
The CY62148VLL-55ZI is a high-performance CMOS static RAM. The CY62148VLL-55ZI is organized as 524,288 words by 8 bits. The CY62148VLL-55ZI features advanced circuit design to provide ultra-low active current. This is ideal for providing More Battery Life in portable applications such as cellular telephones. The CY62148VLL-55ZI also has an automatic power-down feature that significantly reduces power consumption by 99% when addresses are not toggling.
Parametrics
CY62148VLL-55ZI absolute maximum ratings: (1)Storage Temperature: –65 to +150 ℃; (2)Ambient Temperature with Power Applied: 55 to +125 ℃; (3)Supply Voltage to Ground Potential: –0.5 V to +4.6 V; (4)DC Voltage Applied to Outputs in High Z State: –0.5 V to VCC + 0.5 V; (5)DC Input Voltage: –0.5 V to VCC + 0.5 V; (6)Output Current into Outputs (LOW): 20 mA; (7)Static Discharge Voltage: >2001V; (8)Latch-Up Current: >200 mA.
Features
CY62148VLL-55ZI features: (1)Low voltage range: 2.7 V to 3.6 V; (2)Ultra low active power; (3)Low standby power; (4)TTL-compatible inputs and outputs; (5)Automatic power-down when deselected; (6)CMOS for optimum speed/power.
Diagrams

(Hong Kong)






