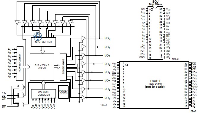
Product Summary
The CY7C109-15ZI is a high-performance CMOS Static RAM. The CY7C109-15ZI is organized as 131,072 words by 8 bits. Easy memory expansion of the CY7C109-15ZI is provided by an active LOW Chip Enable (CE), an active LOW Output Enable (OE), and three-state drivers. Writing to the CY7C109-15ZI is accomplished by taking Chip Enable (CE) and Write Enable (WE) inputs LOW. Data on the eight I/O pins (I/O0 through I/O7) is then written into the location specified on the address pins.
Parametrics
CY7C109-15ZI absolute maximum ratings: (1)Storage Temperature: –65 to +150 ℃; (2)Ambient Temperature with Power Applied: –55 to +125 ℃; (3)Supply Voltage on VCC to Relative GND[2]: –0.5 V to +7.0 V; (4)DC Voltage Applied to Outputs[2] in High Z State: –0.5 V to VCC + 0.5 V; (5)DC Input Voltage[2]: –0.5 V to VCC + 0.5 V; (6)Current into Outputs (LOW): 20 mA; (7)Static Discharge Voltage: >2001V; (8)Latch-Up Current: >200 mA.
Features
CY7C109-15ZI features: (1)High speed: 10 ns; (2)Low active power: 1017 mW; (3)Low CMOS standby power: 55 mW; (4)2.0V Data Retention; (5)Automatic power-down when deselected; (6)TTL-compatible inputs and outputs; (7)Easy memory expansion with CE and OE features.
Diagrams

(Hong Kong)






