Product Summary
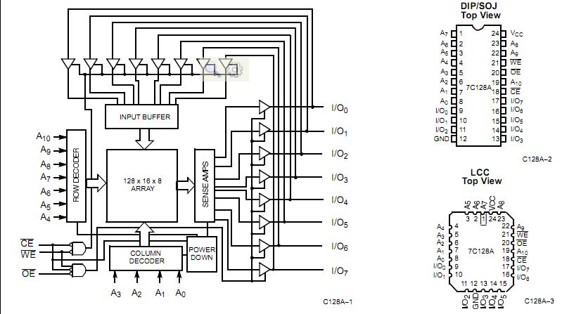
The CY7C128A-15VC is a high-performance CMOS Static RAM. The CY7C128A-15VC is organized as 2048 words by 8 bits. Easy memory expansion of the CY7C128A-15VC is provided by an active LOW Chip Enable (CE), an active LOW Output Enable (OE), and three-state drivers. Writing to the CY7C128A-15VC is accomplished by taking Chip Enable (CE) and Write Enable (WE) inputs LOW. Data on the eight I/O pins (I/O0 through I/O7) is then written into the location specified on the address pins.
Parametrics
CY7C128A-15VC absolute maximum ratings: (1)Storage Temperature: –65 to +150 ℃; (2)Ambient Temperature with Power Applied: –55 to +125 ℃; (3)Supply Voltage on VCC to Relative GND[2]: –0.5 V to +7.0 V; (4)DC Voltage Applied to Outputs[2] in High Z State: –0.5 V to 7.0 V; (5)DC Input Voltage[2]: –0.5 V to 7.0 V; (6)Current into Outputs (LOW): 20 mA; (7)Static Discharge Voltage: >2001V; (8)Latch-Up Current: >200 mA.
Features
CY7C128A-15VC features: (1)Automatic power-down when deselected; (2)CMOS for optimum speed/power; (3)High speed: 15 ns; (4)Low active power: 440 mW (commercial); (5)Low standby power: 110 mW; (6)TTL-compatible inputs and outputs; (7)Capable of withstanding greater than 2001V electro-static discharge; (8)VIH of 2.2V.
Diagrams

| Image | Part No | Mfg | Description | ![]() |
Pricing (USD) |
Quantity | ||||||||||||
|---|---|---|---|---|---|---|---|---|---|---|---|---|---|---|---|---|---|---|
![]() |
![]() CY7C128A-15VC |
![]() |
![]() IC SRAM 16KBIT 15NS 24SOJ |
![]() Data Sheet |
![]() Negotiable |
|
||||||||||||
| Image | Part No | Mfg | Description | ![]() |
Pricing (USD) |
Quantity | ||||||||||||
![]() |
![]() CY7C006 |
![]() Other |
![]() |
![]() Data Sheet |
![]() Negotiable |
|
||||||||||||
![]() |
![]() CY7C006A |
![]() Other |
![]() |
![]() Data Sheet |
![]() Negotiable |
|
||||||||||||
![]() |
![]() CY7C006A-15AXC |
![]() Cypress Semiconductor |
![]() SRAM 5V 16Kx8 COM Dual Port SRAM |
![]() Data Sheet |
![]() Negotiable |
|
||||||||||||
![]() |
![]() CY7C006A-15AXCT |
![]() Cypress Semiconductor |
![]() SRAM 5V 16Kx8 COM Dual Port SRAM |
![]() Data Sheet |
![]() Negotiable |
|
||||||||||||
![]() |
![]() CY7C006A-20AC |
![]() |
![]() IC SRAM 16KX8 DUAL 64LQFP |
![]() Data Sheet |
![]() Negotiable |
|
||||||||||||
![]() |
![]() CY7C006A-20AXC |
![]() Cypress Semiconductor |
![]() SRAM 5V 16Kx8 COM Dual Port SRAM |
![]() Data Sheet |
![]()
|
|
||||||||||||
(Hong Kong)











