Product Summary

The D153310 is an Integrated Device.

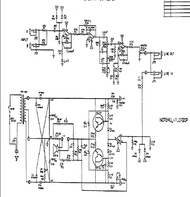
Diagrams

D153310 block diagram