Product Summary
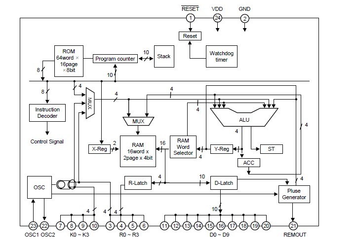
The GMS30140-R198 is a 4-bit, single chip CMOS microcomputer. Since the GMS30140-R198 can form a system by one chip, it contributes to cost reduction and higher efficiency in system.
Parametrics
GMS30140-R198 absolute maximum ratings: (1)Supply Voltage: -3 to 5V; (2)Power dissipation: 700mW; (3)Storage temperature range: -55 ~ 125°C; (4)Input voltage: -0.3 ~ VDD+0.3V; (5)Output voltage: -0.3 ~ VDD+0.3V; (6)Operating frequency: 1MHZ.
Features
GMS30140-R198 features: (1)Data memory : 32 Ø 4 bits; (2)43 types of instruction set; (3)3 levels of subroutine nesting; (4)1 bit output port for a large current (REMOUT signal); (5)Operating frequency : 300KHz to 1MHz; (6)Instruction cycle : 12.5usec @480KHz; (7)CMOS process (Single 3.0V power supply); (8)Stop mode (Through internal instruction); (9)Released stop mode by key input (Masked option); (10)Built in capacitor for ceramic oscillation circuit (Masked option); (11)Built in a watch dog timer (WDT); (12)Low operating voltage : (2.0~4.0V).
Diagrams

(Hong Kong)






