Product Summary
The 2SK2611 is a field effect transistor. It can be used in chopper regulator, DC.DC converter and moter drive applications.
Parametrics
2SK2611 absolute maximum ratings: (1)Drain to Source Voltage: 900 V; (2)Drain to Gate Voltage: 900 V; (3)DC Drain Current: 9 A; (4)Pulsed Drain Current: 27 A; (5)Gate to Source Voltage: ±30 V; (6)Single pulse avalanche energy: 663 mJ; (7)Avalanche current: 9 A; (8)Repetitive avalanche energy: 15 mJ; (9)Storage temperature range: -55 to 150°C.
Features
2SK2611 features: (1)Low drain.source ON resistance : RDS (ON) = 1.1 Ω (typ.); (2)High forward transfer admittance : |Yfs|= 7.0 S (typ.); (3)Low leakage current : IDSS = 100 μA (max) (VDS = 720 V); (4)Enhancement mode : Vth = 2.0 - 4.0 V (VDS = 10 V, ID = 1 mA).
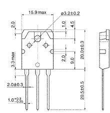
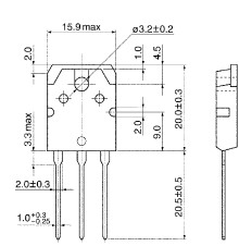
Diagrams

(Hong Kong)






