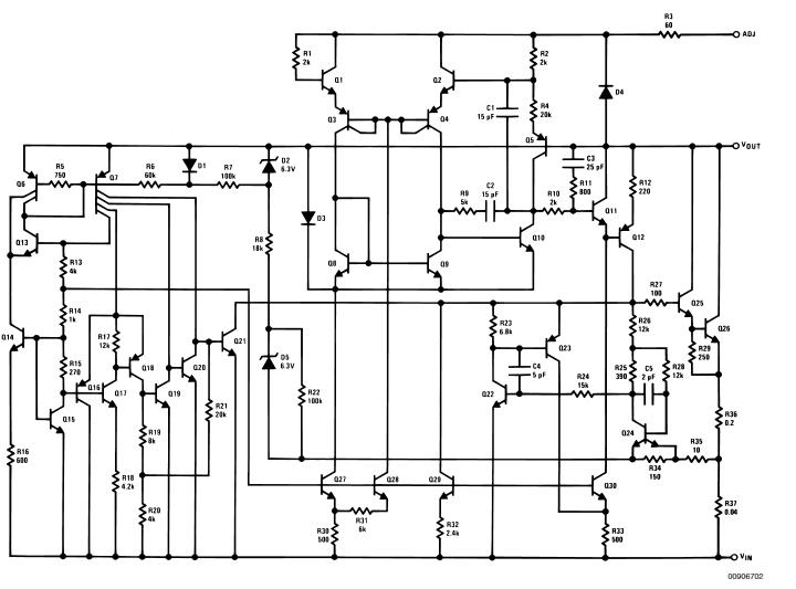
Product Summary
The LM137K/883QS is a 3-Terminal Adjustable Negative Regulator. The LM137K/883QS is exceptionally easy to apply, requiring only 2 external resistors to set the output voltage and 1 output capacitor for frequency compensation.
Parametrics
LM137K/883QS absolute maximum ratings: (1)Input-Output Voltage Differential: 40V; (2)Operating Junction Temperature Range: -55℃ to +150℃; (3)Storage Temperature: -65℃ to +150℃; (4)Lead Temperature (Soldering, 10 sec.): 300℃; (5)Plastic Package (Soldering, 4 sec.): 260℃; (6)ESD Rating: 2k Volts.
Features
LM137K/883QS features: (1)Output voltage adjustable from -1.2V to -37V; (2)1.5A output current guaranteed, -55℃ to +150℃; (3)Line regulation typically 0.01%/V; (4)Load regulation typically 0.3%; (5)Excellent thermal regulation, 0.002%/W; (6)77 dB ripple rejection; (7)Excellent rejection of thermal transients; (8)50 ppm/℃ temperature coefficient; (9)Temperature-independent current limit; (10)Internal thermal overload protection; (11)P+ Product Enhancement tested; (12)Standard 3-lead transistor package; (13)Output is short circuit protected.
Diagrams

![]() |
![]() LM1301-7R |
![]() Power-One |
![]() Linear and Switching Power Supplies Euro-Cassette 50W (12V) |
![]() Data Sheet |
![]() Negotiable |
|
||||
![]() |
![]() LM130SS1T611 |
![]() Other |
![]() |
![]() Data Sheet |
![]() Negotiable |
|
||||
![]() |
![]() LM131 |
![]() Other |
![]() |
![]() Data Sheet |
![]() Negotiable |
|
||||
![]() |
![]() LM133 |
![]() Other |
![]() |
![]() Data Sheet |
![]() Negotiable |
|
||||
![]() |
![]() LM133SS1T60 |
![]() Other |
![]() |
![]() Data Sheet |
![]() Negotiable |
|
||||
![]() |
![]() LM134 |
![]() Other |
![]() |
![]() Data Sheet |
![]() Negotiable |
|
||||
(Hong Kong)








