Product Summary
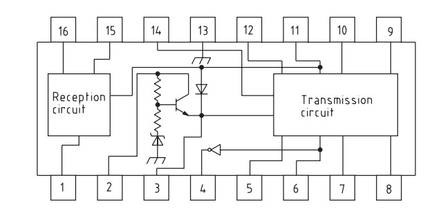
The MM1192 is a HBS-compatible driver and receiver. This IC conforms to the HBS (Home Bus) specification (Electronic Industries Association of Japan), and has functions for the reception and transmission of data. AMI is adopted for the waveforms of signals handled by the transmission and reception units, designed for connection to twisted-pair lines.
Parametrics
MM1192 absolute maximum ratings: (1)Storage tempereture TSTG: -40~+125 ℃; (2)Operating tempereture TOPR: -20~+70 ℃; (3)Power supply voltage VCC max.: -0.3~+7 V; (4)Operating power supply voltage VCCOP: 4.5~5.5 V; (5)Allowable loss Pd: 450 mW; (6)Recommended power supply voltage range VCCOP2: 4.75~5.25 V; (7)Bias voltage range (VIN) VINOP: 8.0~40 V.
Features
MM1192 features: (1)Compact design; (2)High reliability; (3)Replaces pulse transformers; (4)Can be driven by a single 5V power supply; (5)Low cost; (6)Easy circuit design; (7)Few external components.
Diagrams

| Image | Part No | Mfg | Description | ![]() |
Pricing (USD) |
Quantity | ||||
|---|---|---|---|---|---|---|---|---|---|---|
![]() |
![]() MM1192 |
![]() Other |
![]() |
![]() Data Sheet |
![]() Negotiable |
|
||||
| Image | Part No | Mfg | Description | ![]() |
Pricing (USD) |
Quantity | ||||
![]() |
![]() MM1104 |
![]() Other |
![]() |
![]() Data Sheet |
![]() Negotiable |
|
||||
![]() |
![]() MM1106 |
![]() Other |
![]() |
![]() Data Sheet |
![]() Negotiable |
|
||||
![]() |
![]() MM1118 |
![]() Other |
![]() |
![]() Data Sheet |
![]() Negotiable |
|
||||
![]() |
![]() MM1120 |
![]() Other |
![]() |
![]() Data Sheet |
![]() Negotiable |
|
||||
![]() |
![]() MM1124 |
![]() Other |
![]() |
![]() Data Sheet |
![]() Negotiable |
|
||||
![]() |
![]() MM1130 |
![]() Other |
![]() |
![]() Data Sheet |
![]() Negotiable |
|
||||
(Hong Kong)









