Product Summary
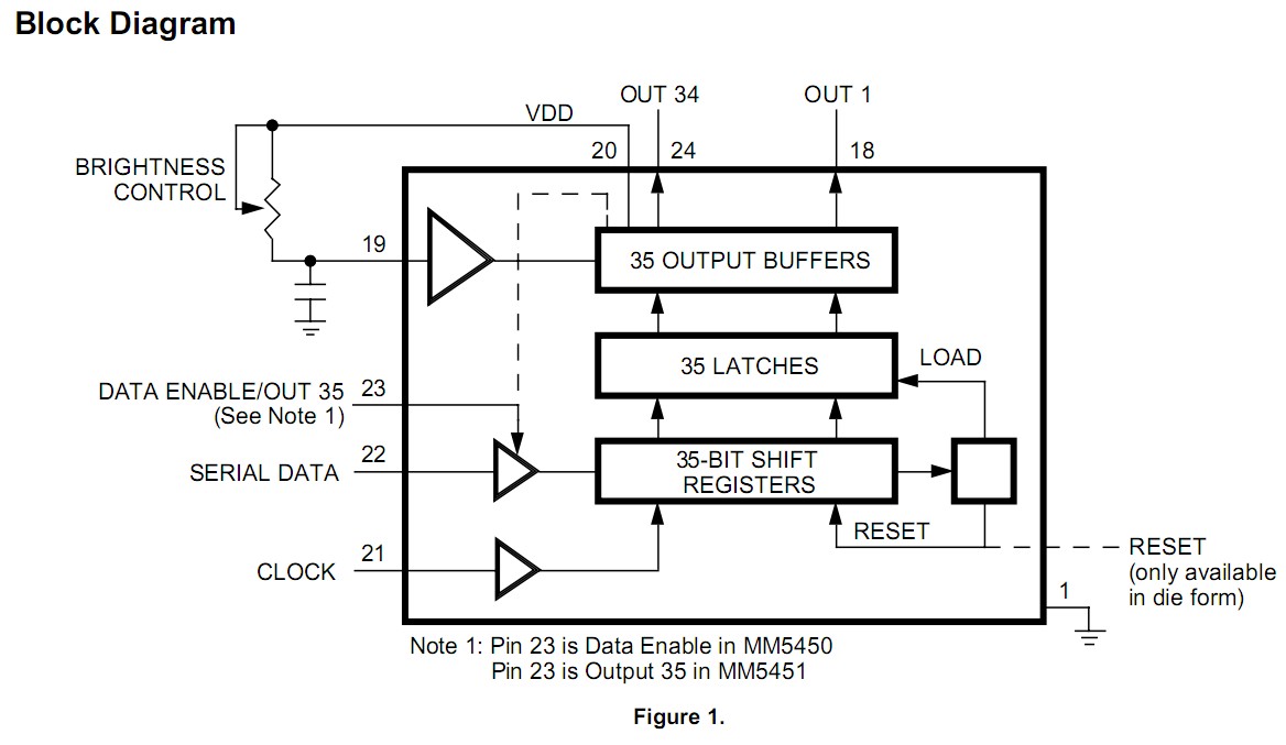
The MM5451BV LED display driver is a monolithic MOS IC fabricated in an N-Channel, metal-gate process. The technology produces low-threshold, enhancement-mode, and ion-implanted depletion-mode devices. A single pin controls the LED display brightness by setting a reference current through a variable resistor connected to the supply.
Parametrics
MM5451BV absolute maximum ratings: (1)Voltage (any pin): VSS to VSS +12V; (2)Power Dissipation (PD): 1W( 25℃ ), 560mW ( 85℃ ); (3)Junction Temperature (TJ): +150℃; (4)Storage Temperature (TS):–65 to +150℃; (5)Lead Temperature (soldering, 10 sec.): +300℃; (6)Supply Voltage (VDD – VSS): +4.75V to +11V; (7)Ambient Temperature Range (T ):–40 to +85℃.
Features
MM5451BV features: (1)Continuous brightness control; (2)Serial data input; (3)No load signal requirement; (4)Enable (on MM5450); (5)Wide power supply operation; (6)TTL compatibility; (7)34 or 35 outputs, 15mA capability; (8)Alphanumeric capability.
Diagrams

| Image | Part No | Mfg | Description | ![]() |
Pricing (USD) |
Quantity | ||||
|---|---|---|---|---|---|---|---|---|---|---|
![]() |
![]() MM5451BV |
![]() |
![]() IC DRIVER DISPLAY LED 44PLCC |
![]() Data Sheet |
![]() Negotiable |
|
||||
![]() |
![]() MM5451BV TR |
![]() |
![]() IC DRIVER DISPLAY LED 44PLCC |
![]() Data Sheet |
![]() Negotiable |
|
||||
(Hong Kong)









