Product Summary
The PI5C6800CL is a 10-bit bus switch. It is designed with current limiting resistors at its outputs to control the output edge rate resulting in lower ground bounce and undershoot.
Parametrics
PI5C6800CL absolute maximum ratings: (1)Storage Temperature:–65°C to +150°C; (2)Supply Voltage Range:–0.5V to +7V; (3)DC Input Voltage:–0.5V to +7V; (4)Input Clamp Current, IIK (V1<0):–50mA; (5)DC output current:120 mA; (6)Power Dissipation: 0.5 W.
Features
PI5C6800CL features: (1)Near-Zero propagation delay; (2)5Ω switch connection between two ports; (3)Ultra low quiescent power (0.2uA typical); (4)Ideally suited for Notebook Applications; (5)A port is hot swapable; (6)Packaging (Pb-free & Green available): 24-pin 150-mil wide QSOP (Q), 24-pin 173-mil wide TSSOP (L).
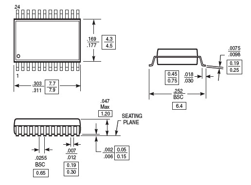
Diagrams

| Image | Part No | Mfg | Description | ![]() |
Pricing (USD) |
Quantity | ||||
|---|---|---|---|---|---|---|---|---|---|---|
![]() |
![]() PI5C6800CL |
![]() |
![]() IC 10-BIT PCI BUS SW 24-TSSOP |
![]() Data Sheet |
![]() Negotiable |
|
||||
![]() |
![]() PI5C6800CLE |
![]() Pericom |
![]() Digital Bus Switch ICs 5volt 10B Bus Switch |
![]() Data Sheet |
![]() Negotiable |
|
||||
![]() |
![]() PI5C6800CLEX |
![]() Pericom |
![]() Digital Bus Switch ICs 5volt 10B Bus Switch |
![]() Data Sheet |
![]() Negotiable |
|
||||
(Hong Kong)











