Product Summary
The RT9245 is a multi-phase buck DC/DC controller integrated with all control functions for Intel GHz CPU which is VRD10.X-compliant. The RT9245 could be operated with 2, 3 or 4 buck switching stages operating in interleaved phase set automatically. The multiphase architecture provides high output current while maintaining low power dissipation on power devices and low stress on input and output capacitors. The high equivalent operating frequency also reduces the component dimension and the output voltage ripple in load transient.
Parametrics
RT9245 absolute maximum ratings: (1)Supply Voltage, VCC: 7V; (2)Input, Output or I/O Voltage: GND − 0.3V to VCC + 0.3V; (3)Package Thermal Resistance TSSOP-28, θJA : 100°C/W; (4)Junction Temperature: 150°C; (5)Lead Temperature (Soldering, 10 sec.): 260°C; (6)Storage Temperature Range: −65°C to 150°C; (7)ESD Susceptibility (Note 2)HBM (Human Body Mode): 2kV; (8)MM (Machine Mode): 200V.
Features
RT9245 features: (1)Multi-Phase Power Conversion with Automatic Phase Selection; (2)6-bits VRD10.x DAC Output with Active Droop Compensation for Fast Load Transient; (3)Smooth VCORE Transition at VID Jump; (4)Power Stage Thermal Balance by DCR Current Sense; (5)Hiccup Mode Over-Current Protection; (6)Programmable Switching Frequency (50kHz to 400kHz per Phase), Under-Voltage Lockout and Soft- Start; (7)High Ripple Frequency Times Channel Number; (8)28-TSSOP Package; (9)RoHS Compliant and 100% Lead (Pb)-Free.
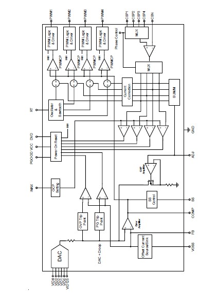
Diagrams

| Image | Part No | Mfg | Description | ![]() |
Pricing (USD) |
Quantity | ||||
|---|---|---|---|---|---|---|---|---|---|---|
![]() |
![]() RT9245B |
![]() Other |
![]() |
![]() Data Sheet |
![]() Negotiable |
|
||||
![]() |
![]() RT9245A |
![]() Other |
![]() |
![]() Data Sheet |
![]() Negotiable |
|
||||
![]() |
![]() RT9245 |
![]() Other |
![]() |
![]() Data Sheet |
![]() Negotiable |
|
||||
(Hong Kong)









