Product Summary
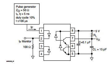
The SFH6325 is a High Speed Optocoupler with a GaAlAs infrared emitting diode, optically coupled with an integrated photo detector which consists of a photo diode and a high-speed transistor in a DIP-8 plastic package.
Parametrics
SFH6325 absolute maximum ratings: (1)Reverse voltage VR: 4.5 V; (2)Forward continuous current IF: 25 mA; (3)Peak forward current t = 1.0 ms, duty cycle 50 % IFM: 50 mA; (4)Maximum surge forward current t ≤ 1.0 us, 300 pulses/s IFSM: 1.0 A; (5)Derate linearly from 25 °C: 0.6 mW/°C; (6)Power dissipation Tamb ≤ 70 °C Pdiss: 50 mW.
Features
SFH6325 features: (1)Isolation Test Voltage: 5300 VRMS; (2)TTL Compatible; (3)Bit Rates: 1.0 MBit/s; (4)High Common-mode Transient Immunity; (5)Bandwidth 2.0 MHz; (6)Open-Collector Output.
Diagrams
| Image | Part No | Mfg | Description | ![]() |
Pricing (USD) |
Quantity | ||||||||||||
|---|---|---|---|---|---|---|---|---|---|---|---|---|---|---|---|---|---|---|
![]() |
![]() SFH6325-X017T |
![]() Vishay Semiconductors |
![]() High Speed Optocouplers 1Mbd High-Speed Tran Out Dual CTR>7% |
![]() Data Sheet |
![]()
|
|
||||||||||||
![]() |
![]() SFH6325-X009 |
![]() Vishay Semiconductors |
![]() High Speed Optocouplers 1Mbd High-Speed Tran Out Dual CTR>7% |
![]() Data Sheet |
![]()
|
|
||||||||||||
![]() |
![]() SFH6325 |
![]() Vishay Semiconductors |
![]() High Speed Optocouplers 1Mbd Open Collector Dual Channel |
![]() Data Sheet |
![]()
|
|
||||||||||||
(Hong Kong)









