Product Summary
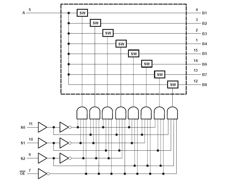
The SN74CBTLV3251DBQR is an 1-of-8 high-speed FET multiplexer/demultiplexer. The low on-state resistance of the switch allows connections to be made with minimal propagation delay. The SN74CBTLV3251DBQR is fully specified for partial-power-down applications using Ioff. The Ioff feature ensures that damaging current will not backflow through the device when it is powered down. The SN74CBTLV3251DBQR has isolation during power off. To ensure the high-impedance state during power up or power down, OE should be tied to VCC through a pullup resistor; the minimum value of the resistor is determined by the current-sinking capability of the driver.
Parametrics
SN74CBTLV3251DBQR absolute maximum ratings: (1)Supply voltage range, VCC: −0.5 V to 4.6 V; (2)Input voltage range, VI: −0.5 V to 4.6 V; (3)Continuous channel current: 128 mA; (4)Input clamp current, IK (VI/O < 0): −50 mA; (5)Storage temperature range, Tstg: −65°C to 150°C.
Features
SN74CBTLV3251DBQR features: (1)5-Ω Switch Connection Between Two Ports; (2)Rail-to-Rail Switching on Data I/O Ports; (3)Ioff Supports Partial-Power-Down Mode Operation; (4)Latch-Up Performance Exceeds 100 mA Per JESD 78, Class II.
Diagrams
| Image | Part No | Mfg | Description | ![]() |
Pricing (USD) |
Quantity | ||||||||||||
|---|---|---|---|---|---|---|---|---|---|---|---|---|---|---|---|---|---|---|
![]() |
![]() SN74CBTLV3251DBQR |
![]() Texas Instruments |
![]() Multiplexer Switch ICs LV 1-of-8 FET |
![]() Data Sheet |
![]()
|
|
||||||||||||
| Image | Part No | Mfg | Description | ![]() |
Pricing (USD) |
Quantity | ||||||||||||
![]() |
![]() SN7400 |
![]() Other |
![]() |
![]() Data Sheet |
![]() Negotiable |
|
||||||||||||
![]() |
![]() SN7400D |
![]() Texas Instruments |
![]() Gates (AND / NAND / OR / NOR) Quad 2-input Positive-NAND gates |
![]() Data Sheet |
![]()
|
|
||||||||||||
![]() |
![]() SN7400DE4 |
![]() Texas Instruments |
![]() Gates (AND / NAND / OR / NOR) Quad 2-input Positive-NAND gates |
![]() Data Sheet |
![]()
|
|
||||||||||||
![]() |
![]() SN7400DG4 |
![]() Texas Instruments |
![]() Gates (AND / NAND / OR / NOR) Quad 2-input Pos- NAND |
![]() Data Sheet |
![]()
|
|
||||||||||||
![]() |
![]() SN7400DR |
![]() |
![]() IC QUAD 2IN POS-NAND GATE 14SOIC |
![]() Data Sheet |
![]() Negotiable |
|
||||||||||||
![]() |
![]() SN7400DRE4 |
![]() |
![]() IC QUAD 2IN POS-NAND GATE 14SOIC |
![]() Data Sheet |
![]() Negotiable |
|
||||||||||||
(Hong Kong)










