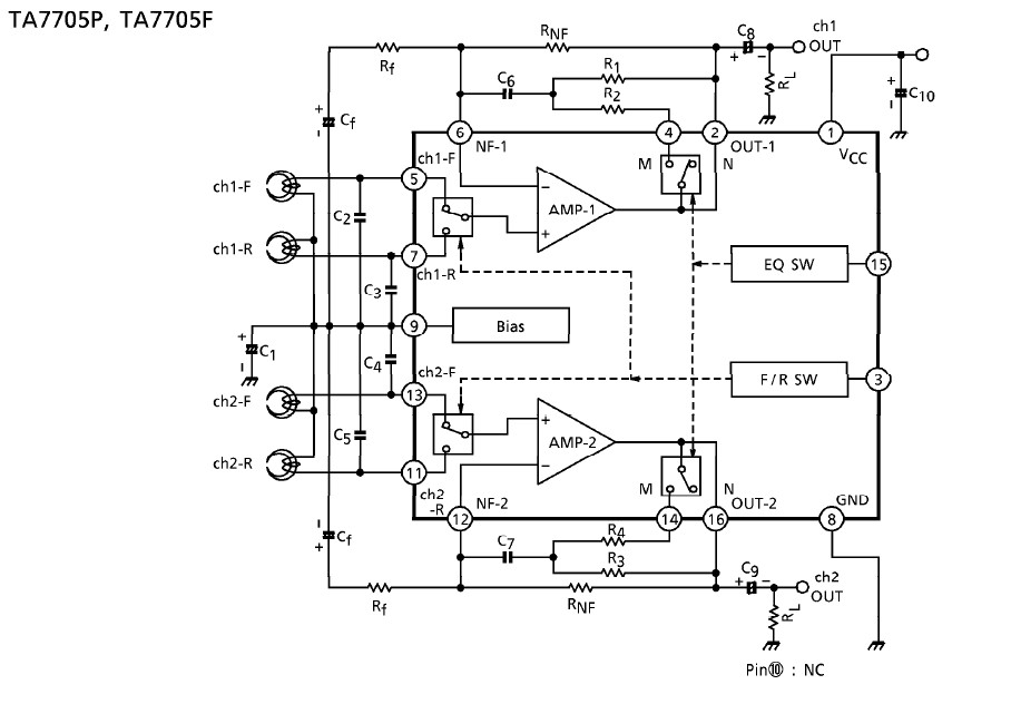
Product Summary
The TA7705F is a low noise dual amplifier for autoreverse car stereo.
Parametrics
TA7705F absolute maximum ratings: (1)Supply voltage, vcc: 16 V; (2)Power dissipation: 350 mW; (3)Operating temperature, Topr: -30 to 75 °C; (4)Storage temperature, Tstg: -55 to 150 °C.
Features
TA7705F features: (1)High open loop voltage gain: Gvo = 98 dB (Typ.)(VCC = 9V, f=1kHz); (2)No input coupling capacitor; (3)Low distortion : THD = 0.035%(Typ.)(Gv = 40dB, VOUT = 0-5Vrms); (4)Low noise (equivalent input noise voltage): VNI = 0.VVrms (Typ.)(Rg = 620n, BW = 20Hz〜20kHz, NAB EQ); (5)Operating supply voltage range: Vcc(opr.)= 6 to 16V.
Diagrams

(Hong Kong)






