Product Summary
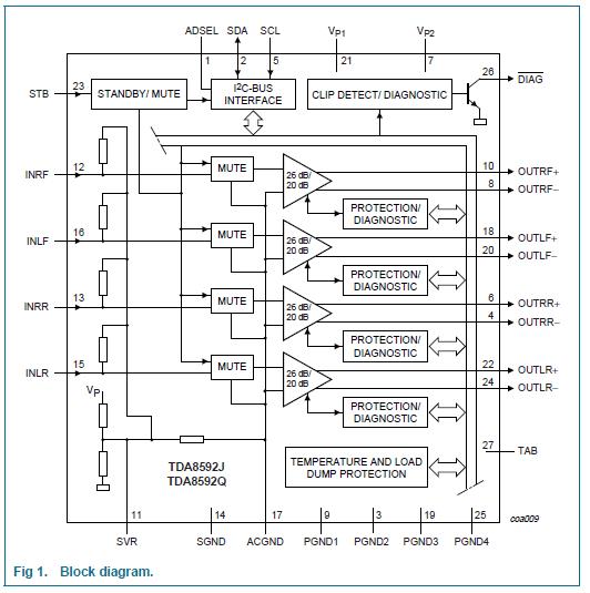
The TDA8592J is a complementary quad BTL audio power amplifier made in the BCDMOS technology. It contains four independent amplifiers in Bridge Tied Load (BTL) configuration. Through the I2C-bus the diagnostic information of each amplifier and speaker can be read separately. The TDA8592J can be configured independently in line driver mode with a gain of 20 dB.
Parametrics
TDA8592J absolute maximum ratings: (1)VP, supply voltage operating: 18 V; non operating :-1 to +50 V; load dump protection: 0 to 50 V; (2)VSDA, VSCL, voltage on pins SDA and SCL operating: 0 to 7 V; (3)VINn, VSVR, VACGND, VDIAG, voltage on pins INLF, INLR,; (4)INRF, INRR, SVR, ACGND and vDIAG operating: 0 to 13 V; (5)VSTB, voltage on pin STB operating: 0 to 24 V; (6)IOSM, non-repetitive peak output current: 10 A; (7)IORM, repetitive peak output current: 6 A.
Features
TDA8592J features: (1)I2C-bus control; (2)Hardware programmable I2C-bus address; (3)Can drive a 2 W load with a battery voltage of up to 16 V and a 4 W load with a battery voltage of up to 18 V; (4)DC-load detection: open, short and present; (5)AC-load (tweeter) detection; (6)Programmable clip detection: 1 % or 3 %; (7)Programmable thermal protection pre-warning; (8)Independent short-circuit protection per channel; (9)Low gain line driver mode (20 dB); (10)Loss-of-ground and open VP safe; (11)All outputs protected from short-circuit to ground, to VP, or across the load; (12)All pins protected from short-circuit to ground; (13)Soft thermal clipping to prevent audio holes; (14)Low battery detection.
Diagrams

(Hong Kong)






