Product Summary
The TL082CPSR is a JFET-input operational amplifier. It is designed to offer a wider selection than any previously developed operational amplifier. It incorporates well-matched, high-voltage JFET and bipolar transistors in a monolithic integrated circuit. The TL082CPSR features high slew rates, low input bias and offset currents, and low offset-voltage temperature coefficient.
Parametrics
TL082CPSR absolute maxing ratings: (1)Supply voltage, VCC+: 18V; (2)Supply voltage VCC-: -18V; (3)Differential input voltage, VID: ±30V; (4)Input voltage, VI: ±15V; (5)Operating free-air temperature range, TA: 0 to 70℃; (6)Operating virtual junction temperature: 150℃; (7)Storage temperature range, Tstg: -65 to 150℃.
Features
TL082CPSR features: (1)Low Power Consumption; (2)Wide Common-Mode and Differential Voltage Ranges; (3)Low Input Bias and Offset Currents; (4)Output Short-Circuit Protection; (5)Low Total Harmonic Distortion: 0.003% Typ; (6)High Input Impedance, JFET-Input Stage; (7)Latch-Up-Free Operation; (8)High Slew Rate: 13 V/μs Typ; (9)Common-Mode Input Voltage Range Includes VCC+.
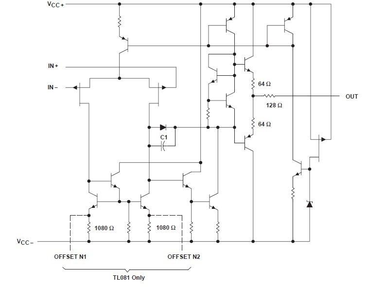
Diagrams

| Image | Part No | Mfg | Description | ![]() |
Pricing (USD) |
Quantity | ||||||||||||
|---|---|---|---|---|---|---|---|---|---|---|---|---|---|---|---|---|---|---|
![]() |
![]() TL082CPSR |
![]() Texas Instruments |
![]() Operational Amplifiers - Op Amps Dual JFET-Input |
![]() Data Sheet |
![]()
|
|
||||||||||||
![]() |
![]() TL082CPSRG4 |
![]() Texas Instruments |
![]() Operational Amplifiers - Op Amps Dual JFET-Input |
![]() Data Sheet |
![]()
|
|
||||||||||||
(Hong Kong)











