Product Summary
The UPA1700AG-E2/JM is an N-Channel MOS field effect transistor. It can be used in DC/DC converters and power management of notebook computers.
Parametrics
UPA1700AG-E2/JM absolute maximum ratings: (1)Drain to Source Voltage VDSS: 30 V; (2)Gate to Source Voltage VGSS: ±20 V; (3)Drain Current (DC):±7.0 A; (4)Drain Current (pulse):±28 A; (5)Total Power Dissipation: 2.0 W; (6)Channel Temperature: 150 °C; (7)Storage Temperature Tstg: –55 to +150 °C.
Features
UPA1700AG-E2/JM features: (1)Low On-Resistance RDS(on)1 = 27 mW Max. (VGS = 10 V, ID = 3.5 A); (2)RDS(on)2 = 50 mW Max. (VGS = 4 V, ID = 3.5 A); (3)Low Input Capacitance Ciss = 820 pF Typ.; (4)Built-in G-S Protection Diode; (5)Small and Surface Mount Package (Power SOP8).
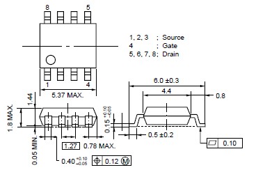
Diagrams

(Hong Kong)






