Product Summary
The BCR30GM-12L is a medium power use insulated type module. The applications of the BCR30GM-12L include Contactless AC switches, light dimmer, on/off and speed control of small induction motors, on/off control of copier lamps, microwave ovens.
Parametrics
BCR30GM-12L absolute maximum ratings: (1)Repetitive peak off-state voltage, VDRM: 600V; (2)Non-repetitive peak off-state voltage, VDSM: 720V; (3)RMS on-state current, IT (RMS): 30A; (4)Surge on-state current, ITSM: 300A; (5)I2t for fusing, I2t: 375 A2S; (6)Peak gate power dissipation, PGM: 5W; (7)Average gate power dissipation, PG (AV): 0.5W; (8)Peak gate voltage, VGM: 10V; (9)Peak gate current, IGM: 2A; (10)Junction temperature, Tj: -40 to +125℃; (11)Storage temperature, Tstg: -40 to +125℃.
Features
BCR30GM-12L features: (1)IT (RMS): 30A; (2)VDRM: 400V/600V; (3)IFGT, IRGT, IRGT: 50mA; (4)Viso: 2200V; (5)UL Recognized: File No. E80276.
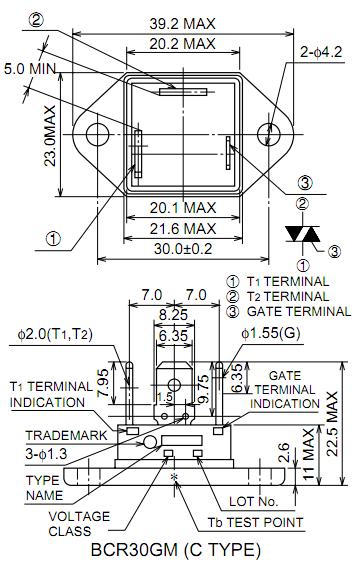
Diagrams

(Hong Kong)






