Product Summary
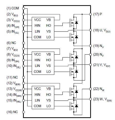
The FSB50550T is a tiny smart power module (SPM based on FRFET technology as a compact inverter solution for small power motor drive applications such as fan motors and water suppliers. The FSB50550T is composed of 6 fast-recovery MOSFET (FRFET), and 3 half-bridge HVICs for FRFET gate driving. The FSB50550T provides low electromagnetic interference (EMI) characteristics with optimized switching speed. Moreover, since it employs FRFET as a power switch, it has much better ruggedness and larger safe operation area (SOA) than that of an IGBT-based power module or one-chip solution.
Parametrics
FSB50550T absolute maximum ratings: (1)ID25 Each FRFET Drain Current, Continuous, TC = 25℃: 1.8A; (2)ID80 Each FRFET Drain Current, Continuous, TC = 80℃: 1.2A; (3)IDP Each FRFET Drain Current, Peak, TC = 25℃, PW < 100μs: 3.5 A; (4)PD Maximum Power Dissipation, TC = 80℃, Each FRFET: 4.5W; (5)VCC Control Supply Voltage. Applied between VCC and COM: 20 V; (6)VBS, High-side Bias Voltage. Applied between VB(U)-U, VB(V)-V, VB(W)-W: 20 V; (7)VIN Input Signal Voltage. Applied between IN and COM: -0.3 ~ VCC+0.3V; (8)TJ Operating Junction Temperature: -20 ~ 150 ℃; (9)TSTG Storage Temperature: -50 ~ 150 ℃; (10)RθJC Junction to Case Thermal Resistance. Each FRFET under inverter operating condition: 8.6 ℃/W.
Features
FSB50550T features: (1)500V 3.5A 3-phase FRFET inverter including high voltage integrated circuit (HVIC); (2)3divided negative dc-link terminals for inverter current sensing applications; (3)HVIC for gate driving and undervoltage protection; (4)3/5V CMOS/TTL compatible, active-high interface; (5)Optimized for low electromagnetic interference; (6)Isolation voltage rating of 1500Vrms for 1min.; (7)Extended VB pin for PCB isolation.
Diagrams

| Image | Part No | Mfg | Description | ![]() |
Pricing (USD) |
Quantity | ||||||||||||
|---|---|---|---|---|---|---|---|---|---|---|---|---|---|---|---|---|---|---|
![]() |
![]() FSB50550T |
![]() Fairchild Semiconductor |
![]() IGBT Modules Smart Power Module |
![]() Data Sheet |
![]()
|
|
||||||||||||
![]() |
![]() FSB50550TB |
![]() Fairchild Semiconductor |
![]() IGBT Modules 500V, 1.2A, SPM5 |
![]() Data Sheet |
![]() Negotiable |
|
||||||||||||
![]() |
![]() FSB50550TB2 |
![]() Fairchild Semiconductor |
![]() IGBT Modules 1.2A 500V SPM5 |
![]() Data Sheet |
![]()
|
|
||||||||||||
(Hong Kong)










