Product Summary
The MEO550-06DA is a fast recovery epitaxial diode (FRED) module. Applications are (1)Antiparallel diode for high frequency switching devices; (2)Free wheeling diode in converters and motor control circuits; (3)Inductive heating and melting; (4)Uninterruptible power supplies (UPS); (5)Ultrasonic cleaners and welders.
Parametrics
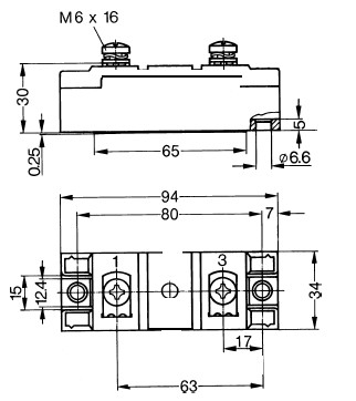
MEO550-06DA absolute maximum ratings: (1)IFRMS, TC = 75℃: 822 A; (2)IFAVM, TC = 75℃; rectangular, d = 0.5: 582 A; (3)IFRM, tP < 10 μs; rep. rating, pulse width limited by TVJM: 2880 A; (4)IFSM, TVJ = 45℃; t = 10 ms (50 Hz), sine: 4800 A; t = 8.3 ms (60 Hz), sine: 5280 A; TVJ = 150℃; t = 10 ms (50 Hz), sine: 4320 A; t = 8.3 ms (60 Hz), sine: 4750 A; (5)I2t, TVJ = 45℃; t = 10 ms (50 Hz), sine: 115200 A2s; t = 8.3 ms (60 Hz), sine: 117100 A2s; TVJ = 150℃; t = 10 ms (50 Hz), sine: 93300 A2s; t = 8.3 ms (60 Hz), sine: 94800 A2s; (6)TVJ: -40 to +150 ℃; (7)Tstg: -40 to +125 ℃; (8)TSmax: 110 ℃; (9)Ptot, TC = 25℃: 1750 W; (10)VISOL, 50/60 Hz, RMS t = 1 min: 3000 V~; IISOL ≤ 1 mA t = 1 s: 3600 V~; (11)Md. mounting torque (M6): 2.25-2.75/20-25 Nm/lb.in.; Terminal connection torque (M6): 4.50-5.50/40-48 Nm/lb.in.; (12)dS, creep distance on surface: 12.7 mm; (13)dA, strike distance through air: 9.6 mm; (14)a, maximum allowable acceleration: 50 m/s2; (15)Weight: 150 g.
Features
MEO550-06DA features: (1)International standard package with DCB ceramic base plate; (2)Planar passivated chips; (3)Short recovery time; (4)Low switching losses; (5)Soft recovery behaviour; (6)Isolation voltage 3600 V~; (7)UL registered E 72873.
Diagrams

(Hong Kong)






