Product Summary
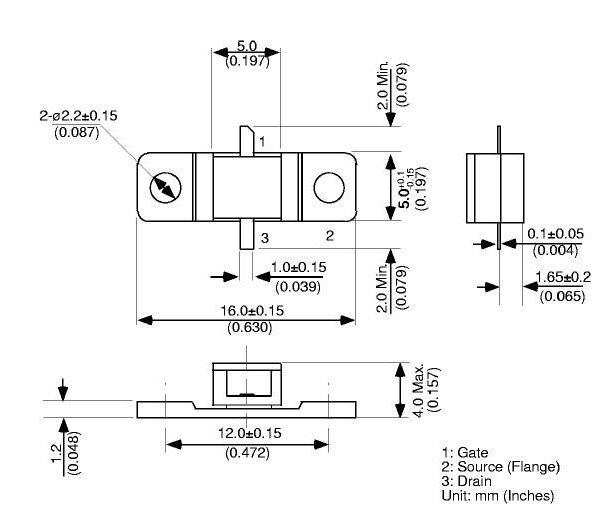
The FLL351 is a power GaAs FET that is specifically designed to provide high power at L-band frequencies with gain, lineraity and efficiency supior to that of silicon devices. The performance in multitone environments for class AB operation make the FLL351 ideally suited for base station applications. This device is assembled in hermetic metal/ceramic package.
Parametrics
FLL351 absolute maximum ratings: (1)drain-source voltage, VDS: 15V; (2)gate-source voltage, VGS: -5V; (3)total power dissipation, Ptot: 15W when TC=25℃; (4)storage temperature, Tstg: -65 to 175℃; (5)channel temperature, Tch: 175℃.
Features
FLL351 features: (1)high output power: P1dB=35.5dBm typ; (2)high gain: G1dB=11.5dB typ; (3)high PAE: ηadd=46% typ; (4)proven reliability; (5)hermetically sealed package.
Diagrams

(Hong Kong)






