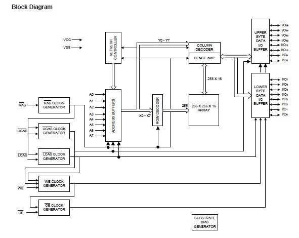
Product Summary
The A416316S-40 is a high performance CMOS Dynamic Random Access Memory organized as 65,536 words X 16 bits. The A416316S-40 is fabricated with advanced CMOS technology and designed with innovative design techniques resulting in high speed, extremely low power and wide operating margins at component and system levels. The A416316S-40 features a high speed page mode operation in which high speed read, write and read-write are performed on any of the bits defined by the column address. The A416316S-40 is best suited for graphics, digital signal processing and high performance peripherals. The A416316S-40 is available in JEDEC standard 40-pin plastic SOJ package and 40/44 TSOP type II package.
Parametrics
A416316S-40 absolute maximum ratings: (1)Input Voltage (Vin): -1.0V to +7.0V; (2)Output Voltage (Vout): -1.0V to +7.0V; (3)Power Supply Voltage (VCC): -1.0V to +7.0V; (4)Operating Temperature (TOPR): 0°C to +70°C; (5)Storage Temperature (TSTG): -55°C to +150°C; (6)Power Dissipation (PD): 1W; (7)Short Circuit Output Current (Iout): 50mA; (8)Latch-up Current: 200mA.
Features
A416316S-40 features: (1)Organization: 65,536 words X 16 bits; (2)Part Identification; (3)High speed; (4)Low power consumption; (5)Separate CAS (UCAS ,LCAS )for byte selection; (6)Self refresh mode; (7)256 refresh cycles, 4 ms refresh interval; (8)Read-modify-write, RAS -only, CAS -before- RAS , Hidderefresh capability; (9)TTL-compatible, three-state I/O; (10)JEDEC standard packages; (11)Single 5V power supply/built-iVBB generator.
Diagrams

(Hong Kong)






