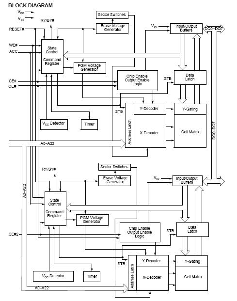
Product Summary
The AM29LV652DU-90RMAI is a 128 Megabit (16 M x 8-Bit) CMOS 3.0 Volt-only Uniform Sector Flash Memory with VersatileIO Control. It is organized as two Am29LV065D dice in a single 63-ball FBGA package. Each Am29LV065D is a 64Mbit, 3.0 Volt (3.0 V to 3.6 V) single power supply flash memory device organized as 8,388,608 bytes. Data appears on DQ0-DQ7. The AM29LV652DU-90RMAI is designed to be programmed in-system with the standard system 3.0 volt VCC supply. A 12.0 volt VPP is not required for program or erases operations. The AM29LV652DU-90RMAI is equipped with two CE#s for flexible selection between the two internal 64 Mb devices. The device can also be programmed in standard EPROM programmers.
Parametrics
AM29LV652DU-90RMAI absolute maximum ratings: (1)Storage Temperature Plastic Packages: –65℃ to +150℃; (2)Ambient Temperature with Power Applied:–65℃ to +125℃; (3)Voltage with Respect to Ground VCC (Note 1): –0.5 V to +4.0 V; (4)VIO:–0.5 V to +5.5 V; (5)A9, OE#, ACC, and RESET# (Note 2):–0.5 V to +12.5 V; (6)All others (Note 1):–0.5 V to VCC +0.5 V; (7)Output Short Circuit Current (Note 3): 200mA.
Features
AM29LV652DU-90RMAI features: (1)Two 64 Megabit (Am29LV065D) in a single 63-ball 11 x 12 mm FBGA package (Note: Features will be described for each internal Am29LV065D); (2)Two Chip Enable inputs; (3)Single power supply operation; (4)VersatileIO control; (5)High performance; (6)Manufactured on 0.23 μm process technology; (7)CFI (Common Flash Interface) compliant; (8)Ultra low power consumption (typical values at 3.0 V, 5 MHz) for the part; (9)Flexible sector architecture; (10)Sector Protection; (11)Embedded Algorithms; (12)Compatibility with JEDEC standards; (13)Minimum 1 million erase cycle guarantee per sector; (14)63-ball FBGA Package; (15)Erase Suspend/Erase Resume; (16)Data# Polling and toggle bits; (17)Unlock Bypass Program command; (18)Ready/Busy# output (RY/BY#); (19)Hardware reset input (RESET#); (20)ACC input; (21)Program and Erase Performance (VHH not applied to the ACC input); (22)20-year data retention at 125℃.
Diagrams

(Hong Kong)






