Product Summary
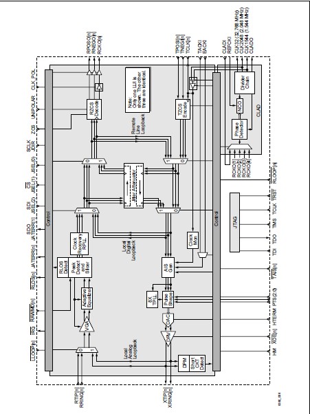
The CN8395KBG is a fully integrated quad line interface unit for both 1.544 Mbps (T1) and 2.048 Mbps (E1) applications. The CN8395KBG is designed to complement T1/E1 framers or operate as a stand-alone line interface to synchronous or plesiochronous mappers and multiplexers. Applications are (1)SONET/SDH multiplexers; (2)T3 and E3/E4 (PDH)multiplexers; (3)ATM multiplexers; (4)Voice compression and voice processing equipment; (5)WAN routers and bridges; (6)Digital loop carrier terminals (DLC); (7)HDSL terminal units; (8)Remote concentrators; (9)Central office equipment; (10)PBXs and rural switches; (11)PCM/voice channel banks; (12)Digital access and cross-connect systems (DACS).
Parametrics
CN8395KBG absolute maximum ratings: (1)Power Supply (measured to GND): –0.5 to 5.0 V; (2)Voltage Differential (between any 2 VDD pins): 0.5 V; (3)Constant Voltage on any Signal Pin: –1.0 to VDD + 0.5 V; (4)Transient Voltage on any Signal Pin HBM rating: ±2 kV; (5)IConstant Current on any Signal Pin: –10 to +10 mA; (6)Storage Temperature: –65 to 150 °C; (7)Junction Temperature: (qjA x VDD x IDD)+ Tamb: –40 to 125 °C.
Features
CN8395KBG features: (1)Four T1/E1 short haul line interfaces in a single chip; (2)On-chip CLAD /system synchronizer; (3)Digital (crystal-less)jitter attenuators selectable for transmitter/receiver on each line interface; (4)Meets AT&T pub 62411 jitter specs; (5)Meets ITU G.703, ETS 300 011 (PSTNX)Connections; (6)AMI/B8ZS/HDB3 line codes; (7)Host serial port or hardware only control modes; (8)On-chip receive clock recovery; (9)Common transformers for 120/75 W E1 and 100 W T1.
Diagrams

(Hong Kong)






