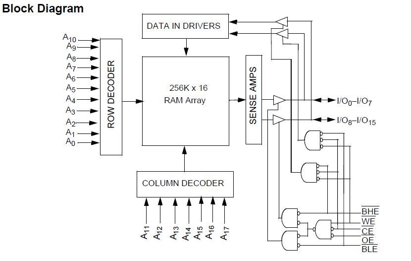
Product Summary
The CY62146VLL-70ZI is a high-performance CMOS static RAM organized as 256K words by 16 bits. This CY62146VLL-70ZI features advanced circuit design to provide ultra-low active current. This is ideal for providing More Battery Life (MoBL) in portable applications such as cellular telephones. The device also has an automatic power-down feature that significantly reduces power consumption. The CY62146VLL-70ZI can also be put into standby mode reducing power consumption by more than 99% when deselected (CE HIGH). The input/output pins (I/O0 through I/O15) are placed in a high-impedance state when: deselected (CE HIGH), outputs are disabled (OE HIGH), both Byte High Enable and Byte Low Enable are disabled (BHE, BLE HIGH), or during a write operation (CE LOW and WE LOW).
Parametrics
CY62146VLL-70ZI absolute maximum ratings: (1)Storage Temperature: -65℃ to +150℃; (2)Ambient Temperature with Power Applied: -55℃ to +125℃; (3)Supply Voltage to Ground Potential: -0.3V to + VCC(MAX) + 0.3V; (4)DC Voltage Applied to Outputs in High-Z State: -0.3V to VCC(MAX) + 0.3V; (5)DC Input Voltage: -0.3V to VCC(MAX) + 0.3V; (6)Output Current into Outputs (LOW): 20 mA; (7)Static Discharge Voltage: >2001V (per MIL-STD-883, Method 3015); (8)Latch-up Current: >200 mA.
Features
CY62146VLL-70ZI features: (1)Very high speed: 45 ns; (2)Wide voltage range: 2.20V to +60V; (3)Pin-compatible with CY62146CV30; (4)Ultra-low active power; (5)Typical active current: 1.5 mA @ f = 1 MHz; (6)Typical active current: 8 mA @ f = fmax; (7)Ultra low standby power; (8)Easy memory expansion with CE, and OE features; (9)Automatic power-down when deselected; (10)CMOS for optimum speed/power; (11)Packages offered 48-ball BGA and 44-pin TSOPII; (12)Also available in Lead-free packages.
Diagrams

(Hong Kong)






