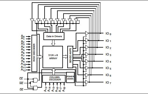
Product Summary
The CY62148DLL-70SC is a high-performance CMOS static RAM organized as 512K words by 8 bits. This device features advanced circuit design to provide ultra-low active current. This is ideal for providing More Battery Life (MoBL ) in portable applications such as cellular telephones. The device also has an automatic power-down feature that significantly reduces power consumption. The device can be put into standby mode reducing power consumption when deselected (CE HIGH).
Parametrics
CY62148DLL-70SC absolute maximum ratings: (1)Storage Temperature: –65°C to +150°C; (2)Ambient Temperature with Power Applied: 55°C to +125°C; (3)Supply Voltage to Ground Potential: –0.3V to VCC(max)+ 0.3V; (4)DC Voltage Applied to Outputs in High-Z State [5, 6] : –0.3V to VCC(max)+ 0.3V; DC Input Voltage [5, 6] : –0.3V to VCC(max)+ 0.3V; (5)Output Current into Outputs (LOW): 20 mA; (6)Static Discharge Voltage: > 2001V (per MIL-STD-883, Method 3015); (7)Latch-up Current: > 200 mA.
Features
CY62148DLL-70SC features: (1)Temperature Ranges: Industrial: –40°C to 85°C; Automotive-A: –40°C to 85°C.; (2)Very high speed: 55 ns: Wide voltage range: 2.20V – 3.60V; (3)Pin-compatible with CY62148CV25, CY62148CV30 and; (4)CY62148CV33; (5)Ultra low active power: Typical active current: 1.5 mA @ f = 1 MHz; Typical active current: 8 mA @ f = fmax (55-ns speed); (6)Ultra low standby power; (7)Easy memory expansion with CE, and OE features; (8)Automatic power-down when deselected; (9)CMOS for optimum speed/power; (10)Available in Pb-free and non Pb-free 36-ball VFBGA, Pb-free 32-pin TSOPII and 32-pin SOIC packages.
Diagrams

(Hong Kong)






