Product Summary
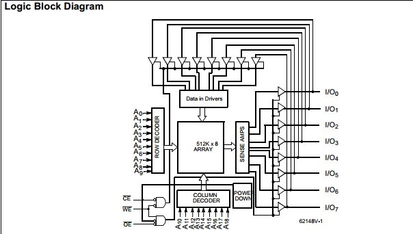
The CY62148LL-70ZI is a high-performance CMOS static RAM organized as 524,288 words by 8 bits. This device features advanced circuit design to provide ultra-low active current. This is ideal for providing More Battery Life (MoBL) in portable applications such as cellular telephones. The device also has an automatic power-down feature that significantly reduces power consumption by 99% when addresses are not toggling.
Parametrics
CY62148LL-70ZI absolute maximum ratings: (1)Storage Temperature: –65°C to +150°C; (2)Ambient Temperature with Power Applied: 55°C to +125°C; (3)Supply Voltage to Ground Potential: –0.5V to +4.6V; (4)DC Voltage Applied to Outputs in High Z State [1] : –0.5V to VCC + 0.5V; (5)DC Input Voltage [1] : –0.5V to VCC + 0.5V; (6)Output Current into Outputs (LOW): 20 mA; (7)Static Discharge Voltage: >2001V (per MIL-STD-883, Method 3015); (8)Latch-Up Current: >200 mA.
Features
CY62148LL-70ZI features: (1)Low voltage range: 2.7V–3.6V; (2)Ultra low active power; (3)Low standby power; (4)TTL-compatible inputs and outputs; (5)Automatic power-down when deselected; (6)CMOS for optimum speed/power.
Diagrams

(Hong Kong)






