Product Summary
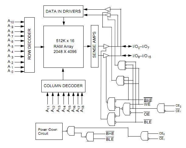
The CY62157CV18LL-70BAI is a high-performance CMOS static RAM. The CY62157CV18LL-70BAI is organized as 512 K words by 16 bits. The CY62157CV18LL-70BAI features advanced circuit design to provide ultra-low active current. This is ideal for providing More Battery Life in portable applications such as cellular telephones. The CY62157CV18LL-70BAI also has an automatic power-down feature that significantly reduces power consumption by 99% when addresses are not toggling.
Parametrics
CY62157CV18LL-70BAI absolute maximum ratings: (1)Storage Temperature: –65 to +150 ℃; (2)Ambient Temperature with Power Applied: 55 to +125 ℃; (3)Supply Voltage to Ground Potential: –0.2 V to +2.4 V; (4)DC Voltage Applied to Outputs in High Z State: –0.2 V to VCC + 0.2 V; (5)DC Input Voltage: –0.2 V to VCC + 0.2 V; (6)Output Current into Outputs (LOW): 20 mA; (7)Static Discharge Voltage: >2001 V; (8)Latch-Up Current: >200 mA.
Features
CY62157CV18LL-70BAI features: (1)High speed: 55 ns and 70 ns availability; (2)Low voltage range: 1.65 V to 1.95 V; (3)Ultra low active power; (4)Low standby power; (5)Easy memony expansion with CE; (6)Automatic power-down when deselected; (7)CMOS for optimum speed/power.
Diagrams

(Hong Kong)






