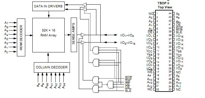
Product Summary
The CY7C1020CV33-12ZC is a high-performance CMOS static RAM. The CY7C1020CV33-12ZC is organized as 32768 words by 16 bits. The CY7C1020CV33-12ZC has an automatic power-down feature that significantly reduces power consumption when deselected. Writing to the CY7C1020CV33-12ZC is accomplished by taking Chip Enable One (CE1) and Write Enable (WE) inputs LOW and Chip Enable Two (CE2) input HIGH. Data on the eight I/O pins (I/O0 through I/O7) is then written into the location specified on the address pins.
Parametrics
CY7C1020CV33-12ZC absolute maximum ratings: (1)Storage Temperature: -65 to +150 ℃; (2)Ambient Temperature with Power Applied: –55 to +125 ℃; (3)Supply Voltage on VCC to relative GND: –0.5 V to +4.6 V; (4)DC Voltage applied to outputs in high Z state: –0.5 V to VCC+0.5 V; (5)DC Input Voltage: –0.5 V to VCC+0.5 V; (6)Current into Outputs (LOW): 20 mA; (7)Static Discharge Voltage: >2001V; (8)Latch-Up Current: >200 mA.
Features
CY7C1020CV33-12ZC features: (1)Pin and function compatible with CY7C1020CV33-12ZC; (2)High speed: 10 ns; (3)CMOS for optimum speed/power; (4)Low active power: 360 mW; (5)Automatic power-down when deselected; (6)Independent Control of Upper and Lower bytes; (7)Available in 44-pin TSOP II.
Diagrams

(Hong Kong)






