Product Summary
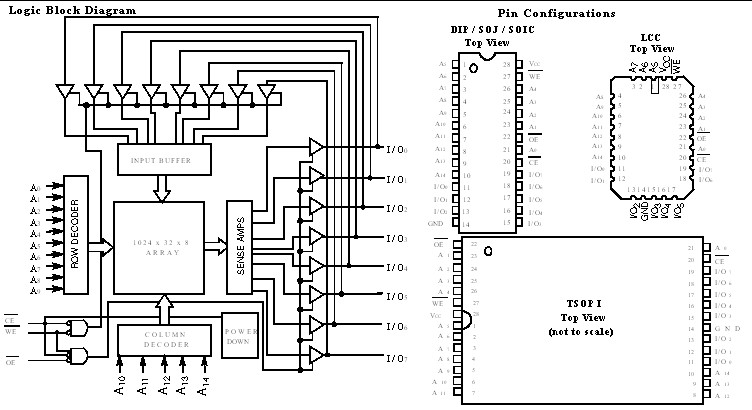
The CY7C199-25VC is a high-performance CMOS Static RAM. The CY7C199-25VC is organized as 32,768 words by 8 bits. Easy memory expansion of the CY7C199-25VC is provided by an active LOW Chip Enable (CE), an active HIGH chip enable, an active LOW output enable and three-state drivers. The CY7C199-25VC has an automatic power-down feature, reducing the power consumption by 81% when deselected. The CY7C199-25VC is in a standard 300-mil-wide DIP, SOJ, or SOIC package.
Parametrics
CY7C199-25VC absolute maximum ratings: (1)TSTG, Storage Temperature: –65 to +150 ℃; (2)TAMB, Ambient Temperature with Power Applied: –55 to +125 ℃VCC, Core Supply Voltage Relative to VSS: –0.5 to +7.0 V; (3)VIN, VOUT, DC Voltage Applied to any Pin Relative to VSS: –0.5 to VCC + 0.5 V; (4)IOUT, Output Short–Circuit Current: 20 mA; (5)VESD, Static Discharge Voltage: >2001 V; (6)ILU, Latch–up Current: >200 mA.
Features
CY7C199-25VC features: (1)High speed: 10 ns; (2)Fast tdoe; (3)CMOS for optimum speed/power; (4)Low active power: 467 mW; (5)Low standby power: 0.275 mW; (6)2V data retention; (7)Easy menory expansion with CE and OE options; (8)TTL-compatible inputs and outputs; (9)Automatic power-down when deselected.
Diagrams

(Hong Kong)






