Product Summary
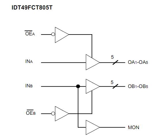
The IDT49FCT805BTQ is a non-inverting clock driver. The device consists of two banks of drivers. Each bank drives five output buffers from a standard TTL compatible input. The IDT49FCT805BTQ has extremely low output skew, pulse skew, and package skew. The device has a heart-beat monitor for diagnostics and PLL driving. The MON output is identical to all other outputs and complies with the output specifications in this document. The IDT49FCT805BTQ offers low capacitance inputs with hysteresis.
Parametrics
IDT49FCT805BTQ absolute maximum ratings: (1)VTERM, Terminal Voltage with Respect to GND: –0.5 to +7.0V; (2)VTERM, Terminal Voltage with Respect to GND: –0.5 to VCC +0.5V; (3)TA, Operating Temperature: 0 to +70℃; (4)TBIAS, Temperature Under Bias:–55 to +125℃; (5)TSTG, Storage Temperature:–55 to +125℃; (6)IOUT, DC Output Current .
Features
IDT49FCT805BTQ features: (1)0.5 MICRON CMOS Technology; (2)Guaranteed low skew < 500ps (max.); (3)Very low duty cycle distortion < 600ps (max.); (4)Low CMOS power levels; (5)TTL compatible inputs and outputs; (6)TTL level output voltage swings; (7)High drive: -32mA IOH, 48mA IOL; (8)Two independent output banks with 3-state control; (9)1:5 fanout per bank; (10)Heartbeat monitor output; (11)ESD > 2000V per MIL-STD-883, Method 3015; > 200V using machine model (C = 200pF, R = 0); (12)Available in DIP, SOIC, SSOP, QSOP, Cerpack and LCC packages; (13)Military product compliant to MIL-STD-883, Class B.
Diagrams
| Image | Part No | Mfg | Description | ![]() |
Pricing (USD) |
Quantity | ||||||
|---|---|---|---|---|---|---|---|---|---|---|---|---|
![]() |
![]() IDT49FCT805BTQ |
![]() |
![]() IC CLK BUFFER 1:5 100MHZ 20-QSOP |
![]() Data Sheet |
![]() Negotiable |
|
||||||
![]() |
![]() IDT49FCT805BTQ8 |
![]() |
![]() IC CLK BUFFER 1:5 100MHZ 20-QSOP |
![]() Data Sheet |
![]() Negotiable |
|
||||||
![]() |
![]() IDT49FCT805BTQG |
![]() |
![]() IC CLK BUFFER 1:5 100MHZ 20-QSOP |
![]() Data Sheet |
![]()
|
|
||||||
![]() |
![]() IDT49FCT805BTQG8 |
![]() |
![]() IC CLK BUFFER 1:5 100MHZ 20-QSOP |
![]() Data Sheet |
![]()
|
|
||||||
(Hong Kong)









