Product Summary
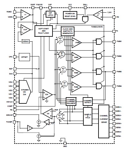
The ISL6561CR-T is a multi-phase PWM controller. The ISL6561CR-T controls microprocessor core voltage regulation by driving up to 4 synchronous-rectified buck channels in parallel. Multi-phase buck converter architecture uses interleaved timing to multiply channel ripple frequency and reduce input and output ripple currents. Lower ripple results in fewer components, lower component cost, reduced power dissipation, and smaller implementation area.
Parametrics
ISL6561CR-T absolute maximum ratings: (1)Supply Voltage, VCC: +7V; (2)Input, Output, or I/O Voltage (except OVP)GND: -0.3V to VCC + 0.3V; (3)OVP Voltage: 15V; (4)SD (Human body model: >4kV; (5)ESD (Machine model: >300V; (6)ESD (Charged device model: >2kV; (7)Supply Voltage, VCC: +5V ±5%; (8)Ambient Temperature (ISL6561CR, ISL6561CRZ): 0°C to 70°C; (9)Ambient Temperature (ISL6561IR, ISL6561IRZ): -40°C to 85°C; (10)VCC Sink Current VCC tied to 12VDC thru 300Ω resistor, RT = 100kΩ: 25 mA.
Features
ISL6561CR-T features: (1)High Case Dielectric Strength of 1500V; (2)Low Forward Voltage Drop, High Current Capability; (3)Surge Overload Rating to 150A Peak; (4)Ideal for Printed Circuit Board Application; (5)Plastic Material - UL Flammability Classification 94V-0; (6)UL Listed Under Recognized Component Index, File Number E95060.
Diagrams
| Image | Part No | Mfg | Description | ![]() |
Pricing (USD) |
Quantity | ||||||||||||
|---|---|---|---|---|---|---|---|---|---|---|---|---|---|---|---|---|---|---|
![]() |
![]() ISL6561CR-T |
![]() |
![]() IC CTRLR PWM MULTIPHASE 40-QFN |
![]() Data Sheet |
![]() Negotiable |
|
||||||||||||
| Image | Part No | Mfg | Description | ![]() |
Pricing (USD) |
Quantity | ||||||||||||
![]() |
![]() ISL60002 |
![]() Other |
![]() |
![]() Data Sheet |
![]() Negotiable |
|
||||||||||||
![]() |
![]() ISL60002BAH333 |
![]() Other |
![]() |
![]() Data Sheet |
![]() Negotiable |
|
||||||||||||
![]() |
![]() ISL60002BAH333Z-T7A |
![]() Intersil |
![]() Voltage & Current References PREC 3.3V HI OUTPUT FGAVREF 1MV -40 - +1 |
![]() Data Sheet |
![]()
|
|
||||||||||||
![]() |
![]() ISL60002BAH333Z-TK |
![]() |
![]() IC VREF SERIES PREC 3.3V SOT23-3 |
![]() Data Sheet |
![]()
|
|
||||||||||||
![]() |
![]() ISL60002BIB812 |
![]() |
![]() IC VREF SERIES PREC 1.25V 8-SOIC |
![]() Data Sheet |
![]() Negotiable |
|
||||||||||||
![]() |
![]() ISL60002BIB812-TK |
![]() |
![]() IC VREF SERIES PREC 1.25V 8-SOIC |
![]() Data Sheet |
![]() Negotiable |
|
||||||||||||
(Hong Kong)













