Product Summary
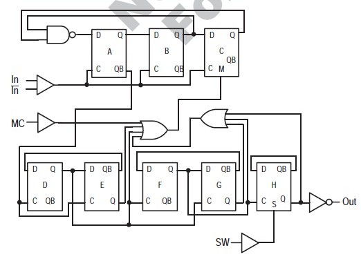
The MC12022AP is a 1.1GHz low-voltage dual modulus prescaler. The MC12022AP can be used with CMOS synthesizers requiring positive edges to trigger internal counters. The Modulus Control (MC) selects the proper divide number after SW has been biased to select the desired divide ratio.
Parametrics
MC12022AP absolute maximum ratings: (1)Power Supply Voltage, Pin 2, VCC: –0.5 to 7.0 Vdc; (2)Operating Temperature Range, TA: –40 to 85℃; (3)Storage Temperature Range, Tstg: –65 to 150℃.
Features
MC12022AP features: (1)1.1 GHz Toggle Frequency; (2)Supply Voltage of 4.5 to 5.5 V; (3)Low–Power 7.5 mA Typical; (4)Operating Temperature Range of –40 to 85℃; (5)Short Setup Time (tset) 16ns Maximum @ 1.1 GHz; (6)Modulus Control Input Level Is Compatible With Standard CMOS and TTL.
Diagrams

![]() |
![]() MC12009 |
![]() Other |
![]() |
![]() Data Sheet |
![]() Negotiable |
|
||||
![]() |
![]() MC12011 |
![]() Other |
![]() |
![]() Data Sheet |
![]() Negotiable |
|
||||
![]() |
![]() MC12012 |
![]() Other |
![]() |
![]() Data Sheet |
![]() Negotiable |
|
||||
![]() |
![]() MC12013 |
![]() Other |
![]() |
![]() Data Sheet |
![]() Negotiable |
|
||||
![]() |
![]() MC12015 |
![]() Other |
![]() |
![]() Data Sheet |
![]() Negotiable |
|
||||
![]() |
![]() MC12016 |
![]() Other |
![]() |
![]() Data Sheet |
![]() Negotiable |
|
||||
(Hong Kong)








