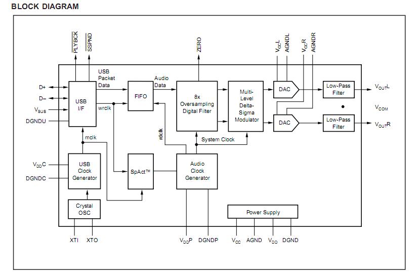
Product Summary
The PCM2707 is a single chip digital-to-analog converter offering two D/A output channels and an integrated USB 1.0 compliant interface controller. The PCM2707 is based upon Burr-Brown’s Enhanced Multi-level Delta-Sigma Modulator, an 8x oversampling digital interpolation filter, and an analog output low-pass filter. The applications of the PCM2707 are stand-alone usb audio speakers, crt/lcd integrated usb audio speakers, usb audio amplifiers, other usb audio applications.
Parametrics
PCM2707 absolute maximum ratings: (1)Supply Voltage:+6.5V; (2)Supply Voltage:+4.0V; (3)Supply Voltage Differences:±0.1V; (4)Supply Voltage Differences:±0.1V; (5)Ground Voltage Differences:±0.1V; (6)Digital Input Voltage:–0.3V to VDD + 0.3V; (7)Digital Input Voltage:–0.3V to 6.5V; (8)Analog Input Voltage:–0.3V to VCC + 0.3V; (9)Input Current (any pins except supplies):±10mA; (10)Operating Temperature:–25℃ to +85℃; (11)Storage Temperature:–55℃ to +125℃; (12)Junction Temperature:+150℃; (13)Lead Temperature (soldering, 5s):+260℃; (14)Package Temperature (IR reflow, peak, 10s):+235℃.
Features
PCM2707 features: (1)Full-Speed Transceiver Supports 12Mbps Data Transfer; (2)Fully Compliant with the USB 1.0 Specification; (3)Adaptive Mode for Isochronous Transfer; (4)Self-Powered Device; (5)accepts 16-bit stereo and mono usb audio data streams; (6)multi-functions: Digital Attenuator: 0dB to –64dB, 1dB/step, Soft Mute, Zero Flag, Suspend Flag, Playback Flag; (7)dual power supplies: +5V for Analog portion, +3.3V for Digital portion; (8)package: SSOP-28.
Diagrams

| Image | Part No | Mfg | Description | ![]() |
Pricing (USD) |
Quantity | ||||||||||||
|---|---|---|---|---|---|---|---|---|---|---|---|---|---|---|---|---|---|---|
![]() |
![]() PCM2707PJTG4 |
![]() Texas Instruments |
![]() Audio D/A Converter ICs Stereo DAC w/USB Ifc Hdphn & S/PDIF Otpt |
![]() Data Sheet |
![]()
|
|
||||||||||||
![]() |
![]() PCM2707PJTR |
![]() Texas Instruments |
![]() Audio D/A Converter ICs Stereo DAC w/USB Ifc Hdphn & S/PDIF Otpt |
![]() Data Sheet |
![]()
|
|
||||||||||||
![]() |
![]() PCM2707PJTRG4 |
![]() Texas Instruments |
![]() Audio D/A Converter ICs Stereo DAC w/USB Ifc Hdphn & S/PDIF Otpt |
![]() Data Sheet |
![]()
|
|
||||||||||||
![]() |
![]() PCM2707PJT |
![]() Texas Instruments |
![]() Audio D/A Converter ICs Stereo DAC w/USB Ifc Hdphn & S/PDIF Otpt |
![]() Data Sheet |
![]()
|
|
||||||||||||
![]() |
![]() PCM2707EVM-U |
![]() Texas Instruments |
![]() Audio IC Development Tools PCM2707 Eval Mod |
![]() Data Sheet |
![]()
|
|
||||||||||||
![]() |
![]() PCM2707 |
![]() Other |
![]() |
![]() Data Sheet |
![]() Negotiable |
|
||||||||||||
(Hong Kong)










