Product Summary
The PH28F128W18BD60 is a wireless flash memory. This device eliminates the traditional system-performance paradigm of shadowing redundant code memory from slow nonvolatile storage to faster execution memory. It reduces total memory requirement that increases reliability and reduces overall system power consumption and cost. This allows for higher data write throughput compared to single-partition architectures and designers can choose code and data partition sizes.
Parametrics
PH28F128W18BD60 absolute maximum ratings: (1)Temperature under Bias: –40 °C to +85 °C; (2)Storage Temperature: -65°C to +125°C; (3)Voltage on Any Pin (except VCC, VCCQ, VPP): –0.5 V to +2.45 V; (4)VPP Voltage:–0.2 V to +13.1 V; (5)VCC and VCCQ Voltage:–0.2 V to +2.45 V; (6)Output Short Circuit Current: 100 mA.
Features
PH28F128W18BD60 features: (1)Burst frequency at 66 MHz (zero wait states); (2)60 ns Initial access read speed; (3)11 ns Burst mode read speed; (4)20 ns Page mode read speed; (5)4-, 8-, 16-, and Continuous-Word Burst mode reads; (6)Burst and Page mode reads in all Blocks, across all partition boundaries; (7)Burst Suspend feature; (8)Enhanced Fac; (9)128-bit OTP Protection Register:; (10)64 unique pre-programmed bits +; (11)64 user-programmable bits; (12)Absolute Write Protection with VPP at ground; (13)Individual and Instantaneous Block Locking/Unlocking; (14)Multiple 4-Mbit partitions; (15)Dual Operation: RWW or RWE; (16)Parameter block size = 4-Kword; (17)Main block size = 32-Kword; (18)Top or bottom parameter devices; (19)16-bit wide data bus; (20)5 μs (typ.) Program and Erase Suspend; (21)latency time; (22)Flash Data Integrator (FDI) and Common Flash Interface (CFI) Compatible; (23)Programmable WAIT signal polarity.
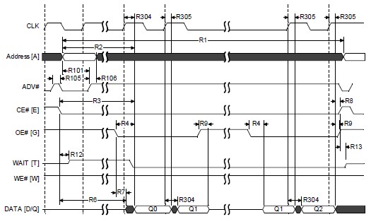
Diagrams

(Hong Kong)






