Product Summary
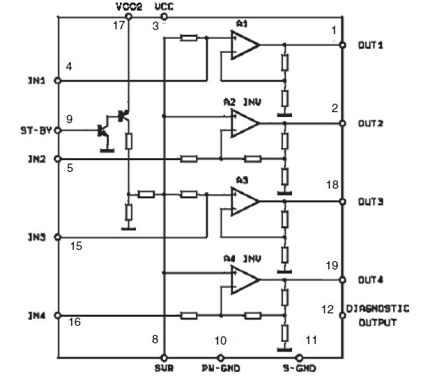
The STA540SA is a 4-channel, class AB audio amplifier designed for high quality sound applications. The amplifiers have single-ended outputs with integrated short-circuit protection, thermal protection and diagnostic functions. The chip is housed in the 15-pin Multiwatt ECOPACK Pb-free package which is RoHS (2002/95/EC) compliant.
Parametrics
STA540SA absolute maximum ratings: (1)Supply voltage idle mode (no signal): 24 V; (2)Supply voltage operating: 22 V; (3)Supply voltage AC-DC short safe: 20 V; (4)Ptot Total power dissipation (Tcase = 85 °C): 36 W; (5)Tstg, Tj Storage and junction temperature: -40 to150 °C; (6)Top Operating temperature: 0 to 70 °C.
Features
STA540SA features: (1)output power capability 7w x 4; (2)minimum external components count: no bootstrap capacitors; no boucherot cells; internally fixed gain 20db; (3)st-by function (cmos compatible); (4)no audible pop during st-by operations; (5)diagnostic facilities; (6)clip detector; (7)out to gnd short; (8)out to vs short; (9)soft short at turn-on; (10)thermal shutdown proximity.
Diagrams

| Image | Part No | Mfg | Description | ![]() |
Pricing (USD) |
Quantity | ||||||||||||
|---|---|---|---|---|---|---|---|---|---|---|---|---|---|---|---|---|---|---|
![]() |
![]() STA540SA |
![]() Other |
![]() |
![]() Data Sheet |
![]() Negotiable |
|
||||||||||||
![]() |
![]() STA540SAN |
![]() STMicroelectronics |
![]() Power Amplifiers 4x10-watt dual/quad power amplifier |
![]() Data Sheet |
![]()
|
|
||||||||||||
(Hong Kong)










