Product Summary
The TE28F160B3BA110 is a 3 Volt Advanced Boot Block Flash Memory.
Parametrics
TE28F160B3BA110 absolute maximum ratings: (1)Extended Operating Temperature, During Read: -40 ℃ to +85 ℃; During Block Erase and Program: -40 ℃ to +85 ℃; Temperature under Bias: -40 ℃ to +85 ℃; (2)Storage Temperature -65 ℃ to +125 ℃; (3)Voltage On Any Pin (except VCC, VCCQ and VPP) with Respect to GND: -0.5 V to +3.7 V; (4)VPP Voltage (for Block Erase and Program) with Respect to GND: -0.5 V to +13.5 V; (5)VCC and VCCQ Supply Voltage with Respect to GND: -0.2 V to +3.7 V; (6)Output Short Circuit Current: 100 mA.
Features
TE28F160B3BA110 features: (1)Flexible SmartVoltage Technology; (2)2.7 V or 1.65 V I/O Option; (3)High Performance; (4)Optimized Block Sizes; (5)Block Locking; (6)Low Power Consumption; (7)Absolute Hardware-Protection; (8)Extended Temperature Operation; (9)Automated Program and Block Erase; (10)x8 not recommended for new designs; (11)4-Mbit density not recommended for new designs.
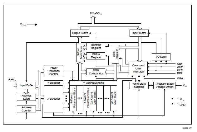
Diagrams
(Hong Kong)






