Product Summary
The UCC27324P is a high-speed dual MOSFET driver. Three standard logic options are offered dual-inverting, dual-noninverting and one-inverting and one-noninverting driver. The thermally enhanced 8-pin PowerPAD MSOP package (DGN) drastically lowers the thermal resistance to improve long-term reliability. The UCC27324P is also offered in the standard SOIC-8 (D) or PDIP-8 (P) packages. Using a design that inherently minimizes shoot-through current, these drivers deliver 4-A of current where it is needed most at the Miller plateau region during the MOSFET switching transition. It can be used in (1)Switch Mode Power Supplies; (2)DC/DC Converters; (3)Motor Controllers; (4)Line Drivers.
Parametrics
UCC27324P absolute maximum ratings: (1)Supply voltage, VDD:-0.3 V to 16 V; (2Output current (OUTA, OUTB) DC: 0.3 A; (3)Output current (OUTA, OUTB) Pulsed: 4.5 A; (4)junction temperature: -55°C to 150°C; (5)Storage temperature, Tstg: -65°C to 150°C; (6)Lead temperature (soldering, 10 sec.): 300°C.
Features
UCC27324P features: (1)Industry-Standard Pin-Out; (2)High Current Drive Capability of 4A at the; (3)Miller Plateau Region; (4)Efficient Constant Current Sourcing Using a Unique BiPolar & CMOS Output Stage; (5)TTL/CMOS Compatible Inputs Independent of Supply Voltage; (6)20-ns Typical Rise and 15-ns Typical Fall Times with 1.8-nF Load; (7)Typical Propagation Delay Times of 25 ns with Input Falling and 35 ns with Input Rising; (8)4-V to 15-V Supply Voltage; (9)Supply Current of 0.3 mA; (10)Dual Outputs Can Be Paralleled for Higher Drive Current; (11)Available in Thermally Enhanced MSOP PowerPADTM Package with 4.7℃/W; (12)Rated From -40℃ to 85℃.
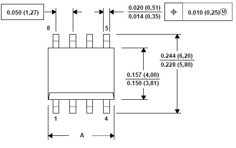
Diagrams

| Image | Part No | Mfg | Description | ![]() |
Pricing (USD) |
Quantity | ||||||||||||
|---|---|---|---|---|---|---|---|---|---|---|---|---|---|---|---|---|---|---|
![]() |
![]() UCC27324P |
![]() Texas Instruments |
![]() Power Driver ICs Dual 4 A Peak High Speed Low-Side |
![]() Data Sheet |
![]()
|
|
||||||||||||
![]() |
![]() UCC27324PE4 |
![]() Texas Instruments |
![]() Power Driver ICs Dual 4 A Peak High Speed Low-Side |
![]() Data Sheet |
![]()
|
|
||||||||||||
(Hong Kong)









