Product Summary
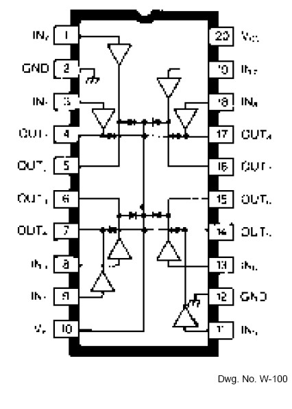
The UDN2597A is an 8-channel saturated sink driver. Low output-saturation voltages at high load currents are provided by the UDN2597A. The UDN2597A can be used as interface buffers between standard low-power digital logic (particularly MOS) and high-power loads such as relays, solenoids, stepping motors, and LED or incandescent displays. The eight saturated sink drivers in each device feature high-voltage, high-current open-collector outputs. Transient suppression clamp diodes and a minimum 35 V output sustaining voltage allow their use with many inductive loads.
Parametrics
UDN2597A absolute maximum ratings: (1)OutputVoltage,VCE: 50 V; (2)Output Current, IOUT: 1.0A; (3)Supply Voltage, VCC: 7.0 V; (4)Input Voltage, VlN: 7.0 V; (5)Package Power Dissipation, PD: 2.27W; (6)Operating Temperature Range, TA: -20℃ to +85℃; (7)Storage Temperature Range, TS: -65℃ to +150℃.
Features
UDN2597A features: (1)Non-Inverting Function; (2)Low Output ON Voltages; (3)Up to 1.0 A Sink Capability; (4)50 V Min. Output Breakdown; (5)Output Transient-Suppression Diodes; (6)Output Pull-Down for Fast Turn-Off; (7)TTL, CMOS Compatible Inputs; (8)Automotive Capable.
Diagrams

![]() |
![]() UDN2540B |
![]() Other |
![]() |
![]() Data Sheet |
![]() Negotiable |
|
||||
![]() |
![]() UDN2559B |
![]() |
![]() IC DRIVER QUAD PROTECTED 16DIP |
![]() Data Sheet |
![]() Negotiable |
|
||||
![]() |
![]() UDN2559BT |
![]() |
![]() IC DRIVER QUAD PROTECTED 16DIP |
![]() Data Sheet |
![]() Negotiable |
|
||||
![]() |
![]() UDN2559B-T |
![]() |
![]() IC DRIVER QUAD PROTECTED 16DIP |
![]() Data Sheet |
![]() Negotiable |
|
||||
![]() |
![]() UDN2559EB |
![]() |
![]() IC DRIVER QUAD PROTECTED 28PLCC |
![]() Data Sheet |
![]() Negotiable |
|
||||
![]() |
![]() UDN2559EBTR |
![]() |
![]() IC DRIVER QUAD PROTECTED 28PLCC |
![]() Data Sheet |
![]() Negotiable |
|
||||
(Hong Kong)









