Product Summary
The UPD78F0534GB(S)-UEU is an 8BIT 32K FLASH MCU. it is widely used in digital cameras, AV equipments, household electrical appliances, utility meters, health care equipments, measurement equipment, etc.
Parametrics
UPD78F0534GB(S)-UEU absolute maximum ratings: (1)Program Memory Size: 32KB (32K x 8); (2)RAM Size: 1K x 8; (3)Number of: I /O 62; (4)Package / Case: 80-LQFP; (5)Speed: 10MHz; (6)Oscillator Type: Internal; (7)Packaging: Tray; (8)Program Memory Type: FLASH; (9)Core Processor: 78K/0; (10)Data Converters A/D: 8x10b; (11)Core Size: 8-Bit; (12)Operating Temperature: -40℃ to 85℃; (13)Voltage - Supply (Vcc/Vdd): 1.8V to 5.5V.
Features
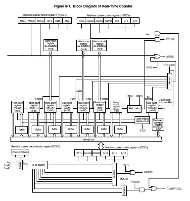
UPD78F0534GB(S)-UEU features: (1)Power supply monitoring function: Power-on-clear circuit, low-voltage detector ; (2)Internal 8 MHz high-speed oscillator ; (3)EEPROM emulation function: Single-power-supply flash memory that can perform self programming ; (4)Real-time counter function.
Diagrams

(Hong Kong)







