Product Summary
The FSBB20CH60C is an advanced motion-smart power module (Motion-SPM) . The FSBB20CH60C has newly developed and designed to provide very compact and high performance ac motor drives mainly targeting low-power inverter-driven application like air conditioner and washing machine. Applications of the FSBB20CH60C include: -100V ~ 253V three-phase inverter drive for small power ac motor drives and Home appliances applications like air conditioner and washing machine.
Parametrics
FSBB20CH60C absolute maximum ratings: (1) Supply Voltage VPN: 450V (Applied between P- Nu , Nv , Nw) ; (2) Supply Voltage (Surge) VPN (surge) : 500V; (3) Collector-emitter Voltage VCES: 600V; (4) Each IGBT Collector Current ±Ic: 20A (Tc=25°C) ; (5) Each IGBT Collector Current (Peak) ±Icp: 40A (Tc=25°C, Under 1ms Pulse Width) ; (6) Collector Dissipation Pc: 62mW (Tc=25°C per One Chip) ; (7) Operating Junction Temperature Tj: -40 to 150°C.
Features
FSBB20CH60C features: (1) UL Certified No.E209204(SPM27-CC package) ; (2) Very low thermal resistance due to using DBC; (3) Easy PCB layout due to built in bootstrap diode; (4) 600V-20A 3-phase IGBT inverter bridge including control ICs for gate driving and protection; (5) Divided negative dc-link terminals for inverter current sensing applications; (6) Single-grounded power supply due to built-in HVIC; (7) Isolation rating of 2500Vrms/min.
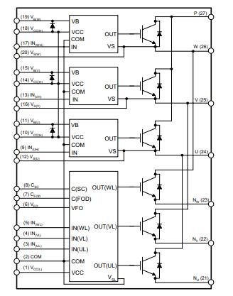
Diagrams

| Image | Part No | Mfg | Description | ![]() |
Pricing (USD) |
Quantity | ||||||||||||
|---|---|---|---|---|---|---|---|---|---|---|---|---|---|---|---|---|---|---|
![]() |
![]() FSBB20CH60C |
![]() Fairchild Semiconductor |
![]() IGBT Modules 600V 20A SPM |
![]() Data Sheet |
![]()
|
|
||||||||||||
![]() |
![]() FSBB20CH60CL |
![]() Fairchild Semiconductor |
![]() IGBT Modules 20A, Motion-SPM |
![]() Data Sheet |
![]()
|
|
||||||||||||
![]() |
![]() FSBB20CH60CT |
![]() Fairchild Semiconductor |
![]() IGBT Modules 600V 20A SPM |
![]() Data Sheet |
![]()
|
|
||||||||||||
(Hong Kong)









