Product Summary
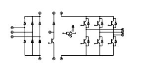
The SKIIP11NAB063T42 is a 3-phase bridge rectifier+braking chopper+3-phase bridge inverter.
Parametrics
SKIIP11NAB063T42 absolute maximum ratings: (1)Vces: 600V; (2)Vges: ±20V; (3)IC: 17/12A; (4)ICM: 34/24A; (5)IF=-IC: 20/15A; (6)IFM=-ICM: 40/30A; (7)VRRM: 800V; (8)ID: 12A; (9)IFSM: 370A; (10)I2T: 680A2s; (11)Tj: -40 to 150℃; (12)Tstg: -40 to 125℃; (13)Viso: 2500V.
Features
SKIIP11NAB063T42 features: (1)Case M1; (2)UL recognized file no.E63532; (3)fast NPT IGBTs.
Diagrams

(Hong Kong)






