Product Summary
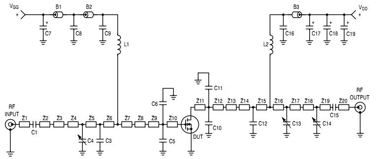
The MRF9085LS is a RF Power Field Effect Transistor designed for broadband commercial and industrial applications with frequencies from 865 to 895 MHz. The high gain and broadband performance of the MRF9085LS make it ideal for large-signal, common-source amplifier applications in 26 volt base station equipment.
Parametrics
MRF9085LS absolute maximum ratings: (1)Drain-Source Voltage, VDSS: 65 Vdc; (2)Gate-Source Voltage, VGS: - 0.5, +15 Vdc; (3)Total Device Dissipation, PD: 250Watts; (4)Storage Temperature Range, Tstg: - 65 to +150℃; (5)Operating Junction Temperature, TJ: 200℃.
Features
MRF9085LS features: (1)Typical CDMA Performance @ 880 MHz, 26 Volts, IDQ = 700 mA IS-97 CDMA Pilot, Sync, Paging, Traffic Codes 8 Through 13 Output Power: 20 Watts Power Gain: 17.9 dB Efficiency: 28% Adjacent Channel Power: 750 kHz: -45.0 dBc @ 30 kHz BW; 1.98 MHz: -60.0 dBc @ 30 kHz BW; (2)Internally Matched, Controlled Q, for Ease of Use; (3)High Gain, High Efficiency and High Linearity; (4)Integrated ESD Protection; (5)Designed for Maximum Gain and Insertion Phase Flatness; (6)Capable of Handling 10:1 VSWR, @ 26 Vdc, 880 MHz, 90 Watts CW Output Power; (7)Excellent Thermal Stability; (8)Characterized with Series Equivalent Large-Signal Impedance Parameters; (9)Low Gold Plating Thickness on Leads, 40μ Nominal; (10)In Tape and Reel. R3 Suffix = 250 Units per 56 mm, 13 inch Reel.
Diagrams

| Image | Part No | Mfg | Description |  | Pricing (USD) | Quantity | ||||
|---|---|---|---|---|---|---|---|---|---|---|
|  |  MRF9085LSR3 |  Freescale Semiconductor |  Transistors RF MOSFET Power RF PWR LDMOS LTP COBRA |  Data Sheet |  Negotiable |  | ||||
|  |  MRF9085LSR5 |  Freescale Semiconductor |  Transistors RF MOSFET Power 90W RF PWR LDMOS NI780LS |  Data Sheet |  Negotiable |  | ||||
 (Hong Kong)
 (Hong Kong) 
                         
                        
 
                                    




